搜索
金币充值液压资料下载官方微信群
查看: 8800|回复: 19

小女子 受人委托 想请教敏感变量泵阀的工作原理

[复制链接]
发表于 2015-6-28 18:07:01 来自手机 | 显示全部楼层 |阅读模式
本帖最后由 591476149 于 2015-6-28 18:39 编辑

跪求大神帮忙  画一下图中各零件用处  线路走势
UC_Photo_004.jpg
UC_Photo_005.jpg
2015-06-28--18_36_50.jpg
2015-06-28--18_35_51.jpg
UC_Photo_006.jpg
UC_Photo_007.jpg
 楼主| 发表于 2015-6-28 19:45:54 来自手机 | 显示全部楼层
591476149 发表于 2015-6-28 18:07
跪求大神帮忙  画一下图中各零件用处  线路走势

求各位好人帮帮忙   我弟弟最近学习液压遇到了问题   我又不懂    不知道怎么帮他
回复

使用道具 举报

  • 打卡等级:初来乍到
  • 打卡总天数:31
  • 打卡总奖励:75
发表于 2015-6-28 21:19:31 | 显示全部楼层
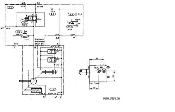
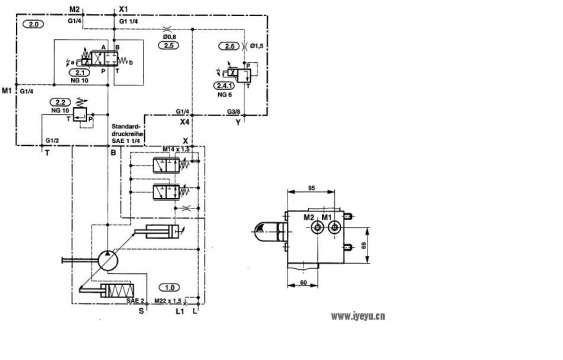
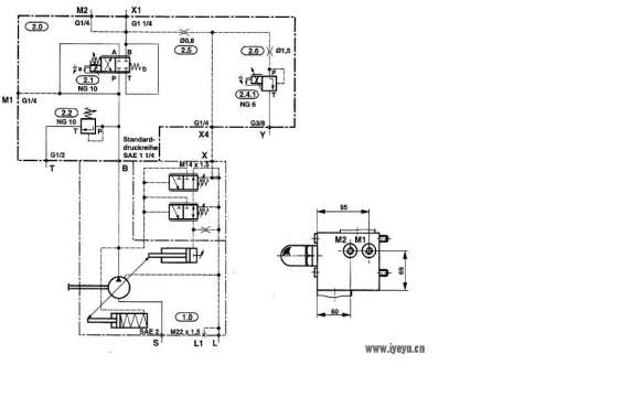
这是用负荷传感泵加比例方向阀及比例溢流阀做成的pQ系统。泵出口的比例方何阀是用来控制流量,旁边的比例溢流阀可控制工作压力。一般在注塑机使用。
回复

使用道具 举报

  • 打卡等级:论坛老炮
  • 打卡总天数:1030
  • 打卡总奖励:2874
发表于 2015-6-28 21:52:47 | 显示全部楼层
女人不适合做工程师,嫁人生孩子去吧
回复

使用道具 举报

发表于 2015-6-28 22:32:00 | 显示全部楼层
负载敏感泵用作PQ泵!YA1比例流量,YA2比例压力!
PQ.JPG
回复

使用道具 举报

 楼主| 发表于 2015-6-28 22:52:22 来自手机 | 显示全部楼层
3220357 发表于 2015-6-28 21:52
女人不适合做工程师,嫁人生孩子去吧

我是女汉子  ^_^

点评

让你弟弟去泰国吧  发表于 2015-6-30 08:21
回复

使用道具 举报

 楼主| 发表于 2015-6-28 22:56:33 来自手机 | 显示全部楼层
液压虫子 发表于 2015-6-28 22:32
负载敏感泵用作PQ泵!YA1比例流量,YA2比例压力!

谢谢你的停留   慷慨解答    请问这些阀是什么   作用呢?
2015-06-28--22_54_39.jpg
回复

使用道具 举报

 楼主| 发表于 2015-6-28 22:57:59 来自手机 | 显示全部楼层
游勇 发表于 2015-6-28 21:19
这是用负荷传感泵加比例方向阀及比例溢流阀做成的pQ系统。泵出口的比例方何阀是用来控制流量,旁边的比例溢 ...

感谢你的慷慨解答     O(∩_∩)O
回复

使用道具 举报

发表于 2015-6-28 23:02:06 | 显示全部楼层
591476149 发表于 2015-6-28 22:56
谢谢你的停留   慷慨解答    请问这些阀是什么   作用呢?

负载敏感泵的DR,FR阀,这个没有什么好讲的,论坛上关于它的介绍一搜一堆!
回复

使用道具 举报

 楼主| 发表于 2015-6-28 23:19:34 来自手机 | 显示全部楼层
游勇 发表于 2015-6-28 21:19
这是用负荷传感泵加比例方向阀及比例溢流阀做成的pQ系统。泵出口的比例方何阀是用来控制流量,旁边的比例溢 ...

老师  (*^__^*)  这一部分是什么作用的?拜托讲一下  O(∩_∩)O
2015-06-28--23_16_54.jpg

点评

这是旁路过滤器。那个止回是当过滤器堵塞时作旁通。  详情 回复 发表于 2015-6-28 23:34
回复

使用道具 举报

您需要登录后才可以回帖 登录 | 立即注册

本版积分规则