搜索
金币充值液压资料下载官方微信群
查看: 9396|回复: 13

A4V恒功率泵

[复制链接]
发表于 2015-7-6 22:07:09 | 显示全部楼层 |阅读模式
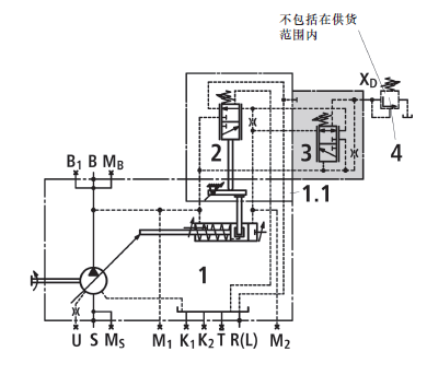
如图所示为一台恒功率,带压力控制阀,不明白远程调压阀的作用,希望懂得给讲一下
还有那个远程调压阀的调定压力必须必压力控制阀的弹簧设定压力要高吗?远程调压阀能不能换成比例阀呢?
可不可以通过比例减压阀来调节压力控制阀的弹簧腔的设定压力,从而调整压力控制阀的调定压力呢?
问题比较多,先谢谢大家了


A4V恒功率泵

A4V恒功率泵
  • 打卡等级:初来乍到
  • 打卡总天数:32
  • 打卡总奖励:234
发表于 2015-7-7 08:37:40 | 显示全部楼层
调节远程调压阀4,也就是相当于改变最高压力流量切断阀3(相当于DR阀)的弹簧预紧力。这个只是最高压力截流保护用的。比如说你不操作是系统憋压时,降低排量,减少能耗,减少发热。正常操作过程中,它是没动作的,只有恒功率阀2在位移-力矩反馈下实现恒功率变量。所以个人觉得没必要换比例阀。比例阀贵,而且要求液压油的清洁度也高。
回复

使用道具 举报

 楼主| 发表于 2015-7-7 09:45:28 | 显示全部楼层
junfanhydraulic 发表于 2015-7-7 08:37
调节远程调压阀4,也就是相当于改变最高压力流量切断阀3(相当于DR阀)的弹簧预紧力。这个只是最高压力截流 ...

嗯嗯,谢谢,主要是我的工况是前几个工序压力控制阀的调定值16MPa,后面几个工序只需要5MPa就够了,如果还是那个调定值的话,能量就会浪费,所以看能不能通过改变压力控制阀的调定值来减少浪费。
回复

使用道具 举报

  • 打卡等级:初来乍到
  • 打卡总天数:32
  • 打卡总奖励:234
发表于 2015-7-7 13:42:58 | 显示全部楼层
chenyueyun 发表于 2015-7-7 09:45
嗯嗯,谢谢,主要是我的工况是前几个工序压力控制阀的调定值16MPa,后面几个工序只需要5MPa就够了,如果 ...

你也减少不了操作时的能耗,只能减少不操作时的能耗。那你还不如把远程调压阀改成电磁卸荷阀。
回复

使用道具 举报

 楼主| 发表于 2015-7-7 15:33:22 | 显示全部楼层
junfanhydraulic 发表于 2015-7-7 13:42
你也减少不了操作时的能耗,只能减少不操作时的能耗。那你还不如把远程调压阀改成电磁卸荷阀。

电磁卸荷阀的话泵就处于最大流量的工作状态,而用这个的话,泵出口压力低于恒功率调节点,
就可以相当于一台恒压变量泵了吧,不知道我理解的对不对,还请您指教。
回复

使用道具 举报

  • 打卡等级:初来乍到
  • 打卡总天数:32
  • 打卡总奖励:234
发表于 2015-7-8 08:39:04 | 显示全部楼层
chenyueyun 发表于 2015-7-7 15:33
电磁卸荷阀的话泵就处于最大流量的工作状态,而用这个的话,泵出口压力低于恒功率调节点,
就可以相当于 ...

你把远程调压阀开启压力调得低于恒功率变量起始压力,是像恒压变量泵一样动作,但是由于其设计结构的原因,(伺服活塞和弹簧),只要阀3动作,一变量,流量就很小了,这个变量斜线是很陡的,几乎是垂直线,不像正常的恒压变量泵变量曲线那么平缓。所以你几乎无法使之在恒压变量段工作。
回复

使用道具 举报

  • 打卡等级:初来乍到
  • 打卡总天数:32
  • 打卡总奖励:234
发表于 2015-7-8 08:45:00 | 显示全部楼层
而且把阀4改成卸荷溢流的,当它卸荷时,泵出口压力升到能克服阀3弹簧力,泵就最小排量了,不会是最大排量。当然当你操作时,变成溢流阀,此时泵是最大排量,压力随负载。
回复

使用道具 举报

 楼主| 发表于 2015-7-8 09:48:25 | 显示全部楼层
junfanhydraulic 发表于 2015-7-8 08:45
而且把阀4改成卸荷溢流的,当它卸荷时,泵出口压力升到能克服阀3弹簧力,泵就最小排量了,不会是最大排量。 ...

好的,谢谢,但是如果使用远程调压阀的话,压力调节阀3的弹簧力一般设定为2MPa吧?样本上说的可以设定到5MPa,但是需要特殊说明一下,不知道现场有没有这么用的呢?
回复

使用道具 举报

  • 打卡等级:初来乍到
  • 打卡总天数:32
  • 打卡总奖励:234
发表于 2015-7-8 10:36:51 | 显示全部楼层
chenyueyun 发表于 2015-7-8 09:48
好的,谢谢,但是如果使用远程调压阀的话,压力调节阀3的弹簧力一般设定为2MPa吧?样本上说的可以设定到5 ...

现场这样用也没问题。甚至调更高,都没问题。只不过弹簧力替代远程调压阀多一点而已。
回复

使用道具 举报

 楼主| 发表于 2015-7-8 14:53:51 | 显示全部楼层
junfanhydraulic 发表于 2015-7-8 10:36
现场这样用也没问题。甚至调更高,都没问题。只不过弹簧力替代远程调压阀多一点而已。

好的,真是谢谢您了,哪就把阀4改成卸荷溢流的,前面几个工序让它溢流,液压泵出口的压力就限制在5+11=16MPa,并且泵出口压力达到12MPa时,进入恒功率调节段。后面的工序让它卸荷,泵出口压力依靠压力控制阀的弹簧力(5MPa)进行调定,这样就可以像恒压变量泵进行调节,这样的控制是可以实现的吧?
回复

使用道具 举报

您需要登录后才可以回帖 登录 | 立即注册

本版积分规则