搜索
金币充值液压资料下载官方微信群
查看: 6366|回复: 12

求助:图片所示回转减速机是哪个厂家的?

[复制链接]
  • 打卡等级:初来乍到
  • 打卡总天数:33
  • 打卡总奖励:131
发表于 2015-8-4 16:26:06 | 显示全部楼层 |阅读模式
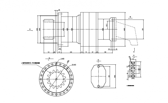
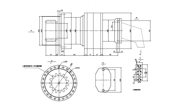
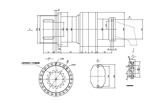
各位大侠,求助啦,帮帮忙。图片所示的回转减速机是用在抓钢机上的,但形状蛮怪的,有见过知道是哪个厂家产的不?或其他厂家也行?期待各位的消息,

求助:图片所示回转减速机是哪个厂家的?

求助:图片所示回转减速机是哪个厂家的?

求助:图片所示回转减速机是哪个厂家的?

求助:图片所示回转减速机是哪个厂家的?
  • 打卡等级:初来乍到
  • 打卡总天数:33
  • 打卡总奖励:131
 楼主| 发表于 2015-8-5 08:32:34 | 显示全部楼层
没有一点消息啊,么么哒。。。有知道海龙重工ZG50抓料机的回转减速机用啥型号或哪个厂家的不?
回复

使用道具 举报

  • 打卡等级:偶尔看看
  • 打卡总天数:61
  • 打卡总奖励:386
发表于 2015-8-5 08:47:13 | 显示全部楼层
如果是进口的你可以看看是不是布雷维尼 或者卓伦的
回复

使用道具 举报

  • 打卡等级:初来乍到
  • 打卡总天数:33
  • 打卡总奖励:131
 楼主| 发表于 2015-8-5 09:39:21 | 显示全部楼层
xiao70ni8 发表于 2015-8-5 08:47
如果是进口的你可以看看是不是布雷维尼 或者卓伦的

多谢兄台,等会就去搜索下。
回复

使用道具 举报

  • 打卡等级:初来乍到
  • 打卡总天数:33
  • 打卡总奖励:131
 楼主| 发表于 2015-8-6 11:28:17 | 显示全部楼层
这款减速机GFB系列的,力士乐有这种类型,但尺寸没有对的上的。。
回复

使用道具 举报

发表于 2015-8-7 16:46:36 | 显示全部楼层
看外形像力士乐GFB系列的
回复

使用道具 举报

  • 打卡等级:偶尔看看
  • 打卡总天数:68
  • 打卡总奖励:478
发表于 2015-8-12 13:43:52 | 显示全部楼层
是力士乐GFB系列的,如果需要维修,我们这边有成套的配件,谢谢!
回复

使用道具 举报

  • 打卡等级:初来乍到
  • 打卡总天数:33
  • 打卡总奖励:131
 楼主| 发表于 2015-8-13 13:43:43 | 显示全部楼层
赛众液压 发表于 2015-8-12 13:43
是力士乐GFB系列的,如果需要维修,我们这边有成套的配件,谢谢!

亲,具体怎么联系?
回复

使用道具 举报

  • 打卡等级:偶尔看看
  • 打卡总天数:68
  • 打卡总奖励:478
发表于 2015-8-14 09:28:09 | 显示全部楼层
clay2008 发表于 2015-8-13 13:43
亲,具体怎么联系?

025-84310700/13951947738
回复

使用道具 举报

  • 打卡等级:偶尔看看
  • 打卡总天数:68
  • 打卡总奖励:478
发表于 2015-8-14 10:13:56 | 显示全部楼层
clay2008 发表于 2015-8-13 13:43
亲,具体怎么联系?

我们是旋挖大修企业的,有信誉,有品质保证
回复

使用道具 举报

您需要登录后才可以回帖 登录 | 立即注册

本版积分规则