设为首页
收藏本站
所有帖子
关于我们
联系我们
微信群
开启辅助访问
搜索
搜索
本版
用户
门户
Portal
资讯
液压资讯
观点
观点
产品
液压产品
技术
液压技术
合集
导读
Guide
下载
签到
金币
论坛
BBS
登录
立即注册
腾讯QQ
账号
自动登录
找回密码
密码
登录
立即注册
只需一步,快速开始
好友
动态
收藏
分享
帖子
日志
记录
相册
留言板
勋章
任务
道具
设置
退出
液压圈
»
论坛
›
液压系统
›
故障诊断
›
管式单向阀的噪声问题?
负载敏感资料下载
|
液压培训资料下载
|
液压样本下载
|
AMESim资料下载
|
力士乐资料下载
|
挖掘机资料下载
|
标准资料下载
|
多路阀资料下载
返回列表
查看:
3872
|
回复:
3
管式单向阀的噪声问题?
[复制链接]
manzizai4431
manzizai4431
当前离线
积分
6
注册时间
2015-9-6
最后登录
1970-1-1
IP卡
狗仔卡
发表于 2015-9-7 00:08:56
来自手机
|
显示全部楼层
|
阅读模式
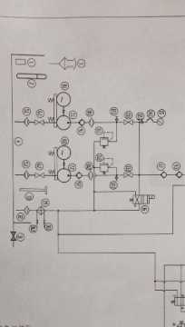
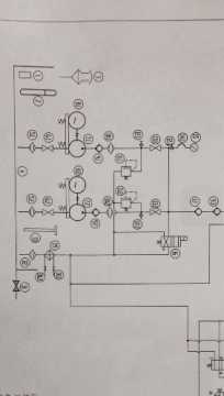
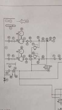
关闭一侧球阀后,一侧的单向阀就有噪声,原理没问题,
泵
换成了恒压变量泵,找人一起研究下,请加qq245997260
回复
使用道具
举报
提升卡
置顶卡
变色卡
cqzyouxiang
cqzyouxiang
当前离线
积分
661
注册时间
2014-10-20
最后登录
1970-1-1
IP卡
狗仔卡
打卡等级:初来乍到
打卡总天数:44
打卡总奖励:323
发表于 2015-9-7 12:26:18
|
显示全部楼层
保证可靠复位,换尽量软点的弹簧。
回复
使用道具
举报
x199
x199
当前离线
积分
315
注册时间
2013-6-3
最后登录
1970-1-1
IP卡
狗仔卡
打卡等级:以坛为家
打卡总天数:776
打卡总奖励:3041
发表于 2015-9-7 14:15:57
|
显示全部楼层
把溢流阀的压力调高点试试,一般溢流阀比恒压泵的调节压力高2MPa……
回复
使用道具
举报
﹏3、哖后°
﹏3、哖后°
当前离线
积分
712
注册时间
2011-7-19
最后登录
1970-1-1
IP卡
狗仔卡
打卡等级:偶尔看看
打卡总天数:99
打卡总奖励:105
发表于 2016-9-26 15:35:28
|
显示全部楼层
弹簧太硬
回复
使用道具
举报
返回列表
高级模式
B
Color
Image
Link
Quote
Code
Smilies
您需要登录后才可以回帖
登录
|
立即注册
本版积分规则
发表回复
回帖后跳转到最后一页
浏览过的版块
液压技术
工程机械
资料下载
快速回复
返回顶部
返回列表