设为首页
收藏本站
所有帖子
关于我们
联系我们
微信群
开启辅助访问
搜索
搜索
本版
用户
门户
Portal
资讯
液压资讯
观点
观点
产品
液压产品
技术
液压技术
合集
导读
Guide
下载
签到
金币
论坛
BBS
登录
立即注册
腾讯QQ
账号
自动登录
找回密码
密码
登录
立即注册
只需一步,快速开始
好友
动态
收藏
分享
帖子
日志
记录
相册
留言板
勋章
任务
道具
设置
退出
液压圈
»
论坛
›
液压系统
›
工程机械
›
装载机的液压回路问题
负载敏感资料下载
|
液压培训资料下载
|
液压样本下载
|
AMESim资料下载
|
力士乐资料下载
|
挖掘机资料下载
|
标准资料下载
|
多路阀资料下载
返回列表
查看:
5774
|
回复:
3
[装载机]
装载机的液压回路问题
[复制链接]
zzz8153
zzz8153
当前离线
积分
66
注册时间
2012-6-15
最后登录
1970-1-1
IP卡
狗仔卡
打卡等级:无名新人
打卡总天数:1
打卡总奖励:7
发表于 2015-9-7 07:41:13
|
显示全部楼层
|
阅读模式
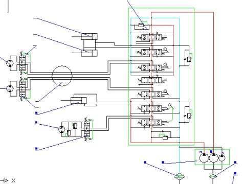
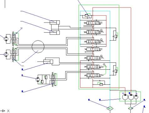
请问大家,这个微型
装载机
的
液压系统
有没有问题,有问题的话,哪些地方需要修改呢?麻烦给指点一下,由于图大,油箱没有显示
液压系统
,
装载机
装载机的液压回路问题
相关帖子
.
意大利萨姆液压马达样本资料
.
液压伺服加载控制问题请教
.
液压系统计算、O型圈、材料兼容性、旋转密封等手机app
.
萌新求助(Amesim与simulink联合仿真)
.
这是个什么油缸,工作原理
.
液压过滤基础
.
上海申福,上海大众,合肥长源,北京华德液压泵样本
.
想给两个液压泵匹配电机
.
供应,定制液压快速接头,承接OEM代工
回复
使用道具
举报
提升卡
置顶卡
变色卡
blackxz
blackxz
当前离线
积分
19
注册时间
2015-1-16
最后登录
1970-1-1
IP卡
狗仔卡
打卡等级:偶尔看看
打卡总天数:83
打卡总奖励:316
发表于 2015-9-7 09:34:24
|
显示全部楼层
说实在的没怎么看懂,就问一个问题,不工作时油泵的左边和中间的泵油液怎么回油箱
回复
使用道具
举报
dirk
dirk
当前离线
积分
196
注册时间
2015-8-13
最后登录
1970-1-1
IP卡
狗仔卡
打卡等级:论坛老炮
打卡总天数:971
打卡总奖励:2846
发表于 2015-9-7 13:35:49
|
显示全部楼层
第一联泵中位不卸荷,第三联泵洗完油直接回油有什么作用?
回复
使用道具
举报
hwb976818
hwb976818
当前离线
积分
122
注册时间
2014-6-18
最后登录
1970-1-1
IP卡
狗仔卡
打卡等级:无名新人
打卡总天数:5
打卡总奖励:21
发表于 2016-1-15 11:25:26
|
显示全部楼层
泵为什么不是闭式泵而是开式泵呢?效率低,油温很难控制
回复
使用道具
举报
返回列表
高级模式
B
Color
Image
Link
Quote
Code
Smilies
您需要登录后才可以回帖
登录
|
立即注册
本版积分规则
发表回复
回帖后跳转到最后一页
浏览过的版块
供求信息
AMESim
故障诊断
资料下载
液压技术
插装阀
快速回复
返回顶部
返回列表