搜索
汉力达液压金币充值官方微信群液压资料下载
查看: 6850|回复: 7

集成块

[复制链接]
发表于 2015-10-7 14:37:43 | 显示全部楼层 |阅读模式
各位大神你们好,小弟想知道如何学习集成块,各位有没有资料或设计实例供小弟学习下,拜谢了,
  • 打卡等级:以坛为家
  • 打卡总天数:846
  • 打卡总奖励:2016
发表于 2015-10-8 20:18:38 | 显示全部楼层
这些都要靠平常的积累,就算很简单的一个例子,自己只有亲身去做了才会有收获,也更有成就感。
回复

使用道具 举报

  • 打卡等级:以坛为家
  • 打卡总天数:846
  • 打卡总奖励:2016
发表于 2015-10-8 20:24:09 | 显示全部楼层
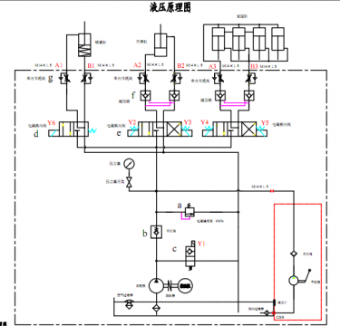
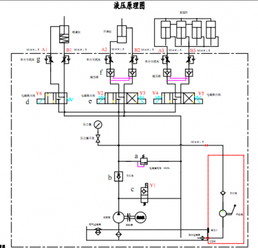
这是一个液压原理图和SW2012的油路,可以参考一下。

新油路块.zip

746.36 KB, 下载次数: 134

售价: 5 金钱  [记录]

回复

使用道具 举报

发表于 2015-10-14 08:43:56 | 显示全部楼层
哪位大侠最好能给我们发一张集成块机械加工的图纸,让我们学习学习
回复

使用道具 举报

  • 打卡等级:初来乍到
  • 打卡总天数:58
  • 打卡总奖励:156
发表于 2015-11-13 08:59:30 | 显示全部楼层
想看看插装阀的油路块的加工图  最好附上阀的型号
回复

使用道具 举报

  • 打卡等级:初来乍到
  • 打卡总天数:58
  • 打卡总奖励:156
发表于 2015-11-13 09:04:57 | 显示全部楼层
3楼的大侠 原理图上YV1那个电磁溢流阀画法不对吧
回复

使用道具 举报

  • 打卡等级:初来乍到
  • 打卡总天数:58
  • 打卡总奖励:156
发表于 2016-1-25 16:29:51 | 显示全部楼层
@这是一个液压原理图和SW2012的油路,可以参考一下
有没有插装阀的油路块 想看看插装阀的油路块的加工图 最好附上阀的型号
回复

使用道具 举报

  • 打卡等级:初来乍到
  • 打卡总天数:38
  • 打卡总奖励:130
发表于 2016-3-2 22:35:29 | 显示全部楼层
dt19860205 发表于 2015-11-13 09:04
3楼的大侠 原理图上YV1那个电磁溢流阀画法不对吧

弱弱的问  你怎么看到是电磁溢流阀....   那个应该是电磁单向阀吧..
回复

使用道具 举报

您需要登录后才可以回帖 登录 | 立即注册

本版积分规则