搜索
汉力达液压金币充值官方微信群液压资料下载
查看: 6840|回复: 8

拉弯机液压原理

[复制链接]
  • 打卡等级:无名新人
  • 打卡总天数:2
  • 打卡总奖励:19
发表于 2015-11-21 13:17:27 | 显示全部楼层 |阅读模式
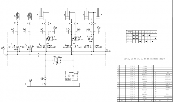
最近自己设计了一套,拉弯机的液压。各位同行看看能行得通吗

   14是夹紧缸,夹工件两端。15是拉伸缸,在夹紧工件后,拉伸缸有杆腔进油,将工件拉伸至屈服强度附近。16是弯曲缸,拉拽工件贴合模具成型。

拉弯机原理

拉弯机原理
  • 打卡等级:无名新人
  • 打卡总天数:5
  • 打卡总奖励:21
发表于 2015-11-23 10:35:01 | 显示全部楼层
夹紧缸与其它油缸工作时最好隔开,,拉伸和弯曲刚起步工作瞬间压力很低,那么夹紧缸瞬间也会有一个松弛。
回复

使用道具 举报

  • 打卡等级:初来乍到
  • 打卡总天数:30
  • 打卡总奖励:74
发表于 2015-11-23 10:57:06 | 显示全部楼层
因为负载为拉力,可使用差动阀芯。

回复

使用道具 举报

  • 打卡等级:无名新人
  • 打卡总天数:2
  • 打卡总奖励:19
 楼主| 发表于 2015-11-23 15:55:24 | 显示全部楼层
hwb976818 发表于 2015-11-23 10:35
夹紧缸与其它油缸工作时最好隔开,,拉伸和弯曲刚起步工作瞬间压力很低,那么夹紧缸瞬间也会有一个松弛。

我在夹紧缸进油路上加了个单向阀7,这样能隔离开吗
回复

使用道具 举报

  • 打卡等级:无名新人
  • 打卡总天数:2
  • 打卡总奖励:19
 楼主| 发表于 2015-11-23 16:05:01 | 显示全部楼层
游勇 发表于 2015-11-23 10:57
因为负载为拉力,可使用差动阀芯。

我这个液压缸的缸和杆的直径比有点大,用差动的话,快进的速度有点过快了。我正在想是不是换个方式装液压缸。
回复

使用道具 举报

  • 打卡等级:常驻居民
  • 打卡总天数:517
  • 打卡总奖励:1385
发表于 2015-11-24 12:06:19 | 显示全部楼层
拉伸缸需要保压吗?
回复

使用道具 举报

  • 打卡等级:无名新人
  • 打卡总天数:2
  • 打卡总奖励:19
 楼主| 发表于 2015-11-25 07:40:42 | 显示全部楼层
huangyeya 发表于 2015-11-24 12:06
拉伸缸需要保压吗?

拉伸缸需要保压,在弯曲过程中,拉伸缸会被动的伸出,在这个过程中,有杆腔要只有保持在拉伸至材料屈服点的压力。
回复

使用道具 举报

  • 打卡等级:常驻居民
  • 打卡总天数:517
  • 打卡总奖励:1385
发表于 2015-11-25 10:05:59 | 显示全部楼层
泵出口应该装一单向阀。 夹紧缸14的松刹压力是多少?
回复

使用道具 举报

  • 打卡等级:无名新人
  • 打卡总天数:2
  • 打卡总奖励:19
 楼主| 发表于 2015-11-25 13:10:56 | 显示全部楼层
夹紧缸的松刹是按照背压3.5bar算的,复位弹簧输出力是1500N
回复

使用道具 举报

您需要登录后才可以回帖 登录 | 立即注册

本版积分规则