搜索
汉力达液压金币充值官方微信群液压资料下载
查看: 4902|回复: 5

求助液压压差阀保证压差稳定

[复制链接]
  • 打卡等级:无名新人
  • 打卡总天数:10
  • 打卡总奖励:38
发表于 2015-12-21 10:15:46 | 显示全部楼层 |阅读模式
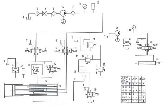
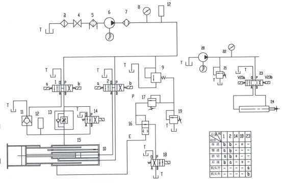
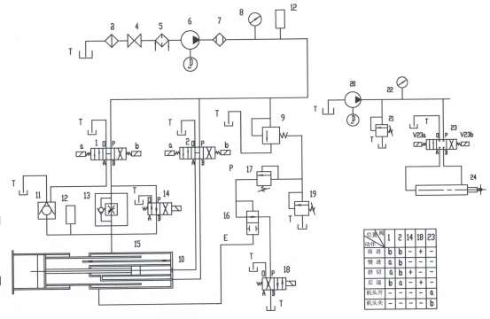
如图,压差阀16是如何与溢流阀17实现调速阀13两端的压差稳定的?求高手指点。。。

柱塞缸在稳定的压差与流量下匀速挤压,如何实现的呢?

柱塞缸在稳定的压差与流量下匀速挤压,如何实现的呢?
  • 打卡等级:论坛老炮
  • 打卡总天数:970
  • 打卡总奖励:2845
发表于 2015-12-21 13:21:13 | 显示全部楼层
楼主先把调速阀的原理搞清楚吧
回复

使用道具 举报

  • 打卡等级:无名新人
  • 打卡总天数:10
  • 打卡总奖励:38
 楼主| 发表于 2015-12-22 13:58:11 | 显示全部楼层
设备说明书上说这里的单向节流阀13相当于调速阀,我就按调速阀写了,请教这个压差怎么保证呢?@drik
回复

使用道具 举报

发表于 2015-12-22 21:50:46 | 显示全部楼层
16、17应该是二级调压,和调速没关系
回复

使用道具 举报

  • 打卡等级:无名新人
  • 打卡总天数:10
  • 打卡总奖励:38
 楼主| 发表于 2015-12-22 22:06:06 | 显示全部楼层
可是说明书上说是通过16来保证压差的啊,如果不是16、17来保证的,那整个系统是怎么保证压差的呢?阀16说明书上叫差动阀,但是百度后也没找到跟液压差动相关的资料
回复

使用道具 举报

  • 打卡等级:无名新人
  • 打卡总天数:8
  • 打卡总奖励:20
发表于 2015-12-27 20:19:15 | 显示全部楼层
酷酷 发表于 2015-12-22 22:06
可是说明书上说是通过16来保证压差的啊,如果不是16、17来保证的,那整个系统是怎么保证压差的呢?阀16说明 ...

什么叫2级调压啊?你这个油缸是什么油缸?
回复

使用道具 举报

您需要登录后才可以回帖 登录 | 立即注册

本版积分规则