设为首页
收藏本站
所有帖子
关于我们
联系我们
微信群
开启辅助访问
搜索
搜索
本版
用户
门户
Portal
资讯
液压资讯
观点
观点
产品
液压产品
技术
液压技术
合集
导读
Guide
下载
签到
金币
论坛
BBS
登录
立即注册
腾讯QQ
账号
自动登录
找回密码
密码
登录
立即注册
只需一步,快速开始
好友
动态
收藏
分享
帖子
日志
记录
相册
留言板
勋章
任务
道具
设置
退出
液压圈
»
论坛
›
液压系统
›
液压技术
›
具有差动和减速的图纸附带电路图
负载敏感资料下载
|
液压培训资料下载
|
液压样本下载
|
AMESim资料下载
|
力士乐资料下载
|
挖掘机资料下载
|
标准资料下载
|
多路阀资料下载
返回列表
查看:
3665
|
回复:
1
具有差动和减速的图纸附带电路图
[复制链接]
咖啡语茶
咖啡语茶
当前离线
积分
56
注册时间
2015-2-7
最后登录
1970-1-1
IP卡
狗仔卡
发表于 2015-12-22 12:15:55
|
显示全部楼层
|
阅读模式
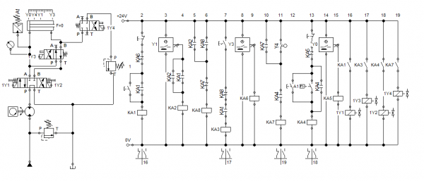
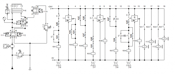
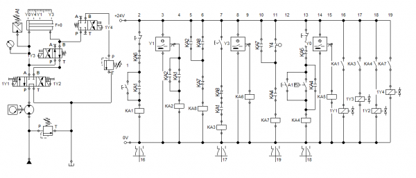
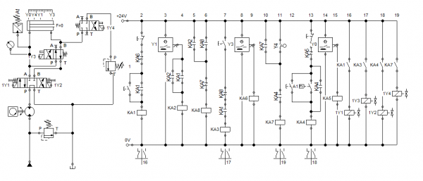
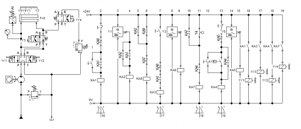
闲来没事做了个有差动和减速的图纸附带电路图
图纸
电路图
图纸
评分
参与人数
1
金钱
+2
收起
理由
吸铁石
+ 2
经典的差动回路
查看全部评分
相关帖子
.
最常见电路图 PPT
.
那位大神有轮式挖掘机的液压系统图和电路图 最好是斗山 现代的
.
比例阀放大板电路图
.
求鳄鱼剪切机(铡料机)控制电路图
回复
使用道具
举报
提升卡
置顶卡
变色卡
咖啡语茶
咖啡语茶
当前离线
积分
56
注册时间
2015-2-7
最后登录
1970-1-1
IP卡
狗仔卡
楼主
|
发表于 2015-12-22 12:21:16
|
显示全部楼层
前进时有差动,而且到一个设定点后就停差动,到达压力或油缸定点设定后就退油缸,退的时候到达设定点后就减压到油缸最后。
回复
使用道具
举报
返回列表
高级模式
B
Color
Image
Link
Quote
Code
Smilies
您需要登录后才可以回帖
登录
|
立即注册
本版积分规则
发表回复
回帖后跳转到最后一页
浏览过的版块
资料下载
伺服控制
工程机械
公告区
AMESim
快速回复
返回顶部
返回列表