设为首页
收藏本站
所有帖子
关于我们
联系我们
微信群
开启辅助访问
搜索
搜索
本版
用户
门户
Portal
资讯
液压资讯
观点
观点
产品
液压产品
技术
液压技术
合集
导读
Guide
下载
签到
金币
论坛
BBS
登录
立即注册
腾讯QQ
账号
自动登录
找回密码
密码
登录
立即注册
只需一步,快速开始
好友
动态
收藏
分享
帖子
日志
记录
相册
留言板
勋章
任务
道具
设置
退出
液压圈
»
论坛
›
液压系统
›
AMESim
›
AMESIM建模出错
负载敏感资料下载
|
液压培训资料下载
|
液压样本下载
|
AMESim资料下载
|
力士乐资料下载
|
挖掘机资料下载
|
标准资料下载
|
多路阀资料下载
返回列表
查看:
2499
|
回复:
1
AMESIM建模出错
[复制链接]
jimobajiaoyu
jimobajiaoyu
当前离线
积分
38
注册时间
2015-9-11
最后登录
1970-1-1
IP卡
狗仔卡
发表于 2015-12-24 10:14:49
|
显示全部楼层
|
阅读模式
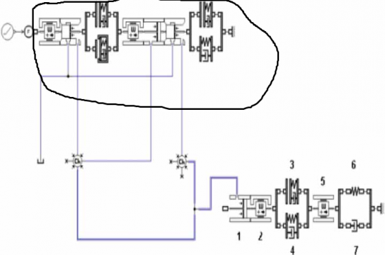
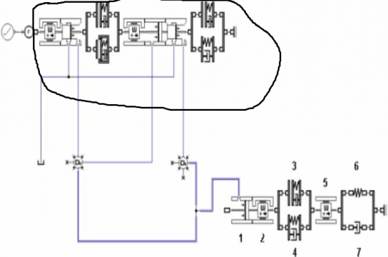
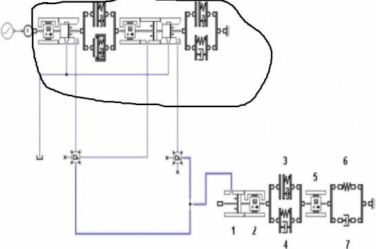
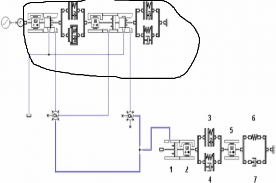
最近做了一个串联双腔主缸的液压模型,但主缸输出的压力太小了,接近十的负九次方!但想要的结果应该在十的负二次方啊。。。输入为分段函数,最大值为300N(三段),其他的参数是按照默认值定的,没有改动
跪求各位大神看看,哪里出了问题!
回复
使用道具
举报
提升卡
置顶卡
变色卡
jimobajiaoyu
jimobajiaoyu
当前离线
积分
38
注册时间
2015-9-11
最后登录
1970-1-1
IP卡
狗仔卡
楼主
|
发表于 2015-12-24 10:51:34
|
显示全部楼层
这个图里面圈起来的是主缸
回复
使用道具
举报
返回列表
高级模式
B
Color
Image
Link
Quote
Code
Smilies
您需要登录后才可以回帖
登录
|
立即注册
本版积分规则
发表回复
回帖后跳转到最后一页
浏览过的版块
液压技术
液压多路阀
资料下载
快速回复
返回顶部
返回列表