搜索
汉力达液压金币充值官方微信群液压资料下载
查看: 7743|回复: 10

Troubleshooting Challenge: Cylinder Speed Running Slow

  [复制链接]
  • 打卡等级:无名新人
  • 打卡总天数:9
  • 打卡总奖励:70
发表于 2015-12-24 11:25:42 | 显示全部楼层 |阅读模式
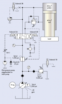
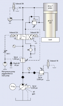
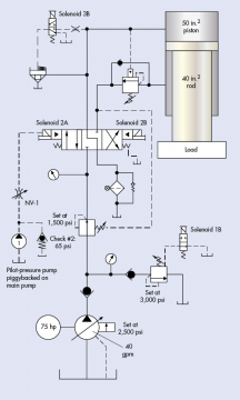
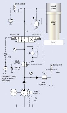
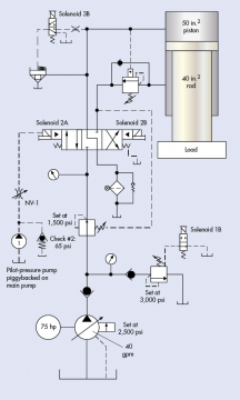
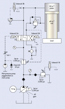
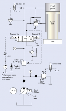
A progressive die press was designed to form shell casings for use in military tanks.
The circuit shown is for the main press, which was designed to meet a minimum cycle time. The machine performed well during test runs, with the customer observing the results. The press was disassembled before being shipped overseas for operation.
After it was reassembled and running, it started to cycle slower than the designed cycle time. The press manufacturer instructed the operator on adjusting the hydraulic system’s counterbalance valve, but that did not help. The operator also confirmed that the tank line of the relief valve was not warm to the touch. A warm or hot tank line would be an indication that the relief valve was leaking.
In addition, the operator installed a flow meter on the main pump’s case drain, but flow was well within the normal range. Next, solenoids 2A and 3B were energized with the press cylinder fully extended. It was determined that no leakage occurred over the logic valve.
Finally, they opened NV-1 valve, which controls the shifting speed of the directional valve. When shifting the valve to raise the press after it was up to tonnage, it resulted only in increased shock. The valve is rated to pass 45 gpm, which is why a logic valve is used when retracting the cylinder.
Any idea what could be causing the problem?
FIND THE SOLUTION
Think you know the answer to this month’s problem?
Submit your solution by emailing Mindy Timmer at timmer@cfc-solar.com. All correct solutions submitted by January 5, 2016, will be entered into a random drawing for a $50 gift card. The winner will be notified, and his or her name will be printed in a future issue. Only one gift card will be awarded to any participant within a calendar year.
Congratulations to Andrew Thompson, P.E., of Climax Portable Machining & Welding Systems, Newberg, Oregon, who won November’s Troubleshooting Challenge by having his answer drawn at random from those who correctly solved that month’s problem. A $50 gift card was sent to him.
SOLUTION TO LAST MONTH's CHALLENGE
Accumulator Precharge Changing
When the piston seal of a piston-type accumulator starts to leak into the gas area, it will increase the precharge pressure, which reduces the amount of oil the accumulator will hold. Repairing the accumulator and restoring it to the correct precharge resolved the problem with the slow mushroom lift.



Troubleshooting Challenge: Cylinder Speed Running Slow

Troubleshooting Challenge: Cylinder Speed Running Slow
  • 打卡等级:无名新人
  • 打卡总天数:5
  • 打卡总奖励:6
发表于 2016-1-28 19:00:58 | 显示全部楼层
大哥,公布个答案啊,想了两天了。
另外,有个问题啊。那个减压阀的泄油口接在换向阀的负载口,一旦换到那个口肯定有冲击,不起减压作用啊。
回复

使用道具 举报

  • 打卡等级:无名新人
  • 打卡总天数:1
  • 打卡总奖励:1
发表于 2016-2-2 21:19:03 | 显示全部楼层
个人分析:恒压泵设定2500psi,溢流阀3000psi,溢流阀出口管路不热,说明这一块没有泄露产生,没有提到系统有明显的泄露现象,感觉应该不是绣楼导致油缸运动周期变慢。应该是主泵出口的减压阀的设定弹簧被调小,小雨设定的1500psi(相对设计值),导致油缸收缩过程变慢(进入有杆腔的流量比设计值小),从而使压铸过程变慢。加压过程,由于减压阀出口压力小于1500psi(某种未知原因,设定弹簧被调节过),使平衡阀不能达到预期的发口开度,导致有杆腔的压力冲击。
以上为个人愚见,请指教。
回复

使用道具 举报

  • 打卡等级:初来乍到
  • 打卡总天数:30
  • 打卡总奖励:74
发表于 2016-2-3 00:36:11 | 显示全部楼层
在美国的交流电是60Hz,其他国家是50Hz,所以速度达不到。
回复

使用道具 举报

  • 打卡等级:无名新人
  • 打卡总天数:5
  • 打卡总奖励:6
发表于 2016-2-5 08:48:16 | 显示全部楼层
游勇 发表于 2016-2-3 00:36
在美国的交流电是60Hz,其他国家是50Hz,所以速度达不到。

有道理,确定是准确答案不???
回复

使用道具 举报

发表于 2016-3-31 17:34:07 | 显示全部楼层
你好,在下认为问题出在插装阀及其前面的阻尼孔上;油从插装阀跑掉了,所以速度变慢。这系统的特点是油缸缸径比较大。
回复

使用道具 举报

  • 打卡等级:无名新人
  • 打卡总天数:16
  • 打卡总奖励:50
发表于 2016-3-31 19:38:22 | 显示全部楼层
英文看不懂,原理图懂一点。貌似为了限制无杆腔弄了个减压阀,结果把有杆腔压力限制了。进无杆腔是减压阀。进有杆腔就是压力补偿器,压差设定1500,无杆腔进1000,泵就达到最高压力了。
回复

使用道具 举报

发表于 2016-4-1 09:28:36 | 显示全部楼层
哈哈,大侠,我想明白了!减压阀压力被调低了,调到图上设置值应该就好了;类似于固定节流孔,用压差来调速Q=Cd·A·(Δp/ρ)½。
回复

使用道具 举报

  • 打卡等级:无名新人
  • 打卡总天数:5
  • 打卡总奖励:6
发表于 2016-4-1 15:34:40 | 显示全部楼层
烤肉拌饭1988 发表于 2016-2-2 21:19
个人分析:恒压泵设定2500psi,溢流阀3000psi,溢流阀出口管路不热,说明这一块没有泄露产生,没有提到系统 ...

你这个也很有道理...
回复

使用道具 举报

  • 打卡等级:初来乍到
  • 打卡总天数:30
  • 打卡总奖励:74
发表于 2016-4-2 23:53:47 | 显示全部楼层
Solution to the Previous Troubleshooting Challenge: Cylinder Running Slow

A progressive die press was designed to form shell casings for use in military tanks. After the machine performed well during test runs, with the customer observing the results, it was disassembled before being shipped overseas for operation.

After it was reassembled and running, it started to cycle slower than the designed cycle time. Adjusting the hydraulic system’s counterbalance valve did not help.

The operator noted that the tank line of the relief valve was not warm to the touch. A warm or hot tank line would indicate that the relief valve was leaking. The operator also installed a flow meter on the main pump’s case drain, but flow was well within the normal range.

The slow cycling press had a directional valve that required 65 to 75 psi of pressure to fully shift. The springs on both ends of the spool needed to be fully shifted to pass the rated flow. The 65-psi pilot pressure relief spring was discovered to be broken, so the system was only developing about half the pressure needed to fully shift the valve. The spool was partially shifting, acting like a flow control. Replacing the spring or the valve itself would solve the problem.
回复

使用道具 举报

您需要登录后才可以回帖 登录 | 立即注册

本版积分规则