搜索
金币充值液压资料下载官方微信群
查看: 4647|回复: 8

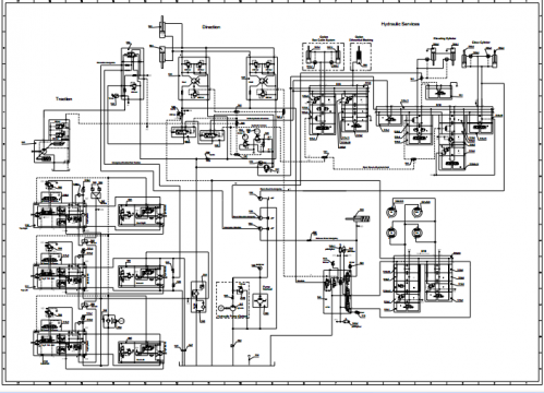
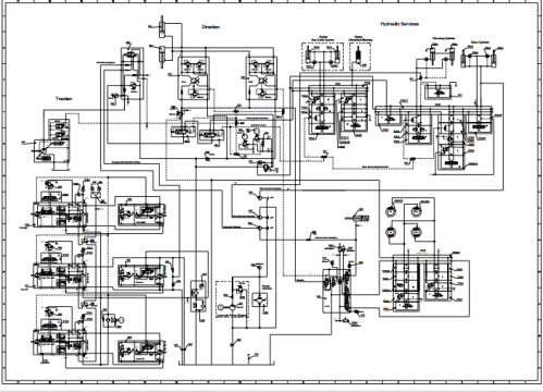
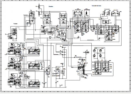
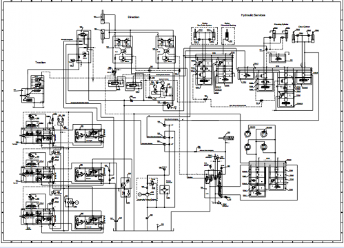
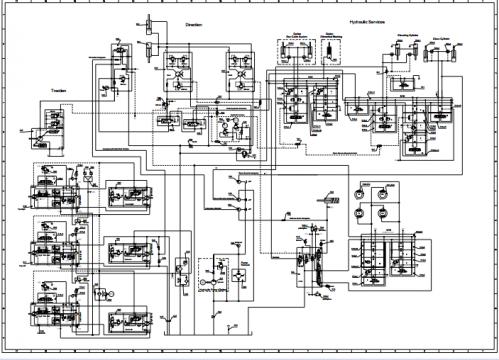
一个飞机牵引车的行驶系统液压图(局部)

[复制链接]
  • 打卡等级:无名新人
  • 打卡总天数:1
  • 打卡总奖励:1
发表于 2015-12-26 08:24:18 | 显示全部楼层 |阅读模式
       附件是一个飞机牵引车的行驶系统液压图(局部),图中是前轮的驱动部分。问题是:变量马达有内置式冲洗阀,但马达的U口接到了变量的G口并连入补油泵的出口处。而不是从U口接入冷却器或者回油箱。--见图中红线。       请问这样接的目的是什么?如何实现冲洗功能呢?

一个飞机牵引车的行驶系统液压图(局部)

一个飞机牵引车的行驶系统液压图(局部)
发表于 2015-12-26 09:47:22 来自手机 | 显示全部楼层
应该是为了防止马达在高速区工作时间久导致马达轴承过热,将泵G口把补油引出来到马达U口来冲洗轴承散热。不知楼主能否共享下您这个完整的飞机牵引车得原理图呢?您是做牵引车的吗?
回复

使用道具 举报

  • 打卡等级:无名新人
  • 打卡总天数:1
  • 打卡总奖励:1
 楼主| 发表于 2015-12-26 10:39:52 | 显示全部楼层
谢谢你的解释,但问题是从冲洗阀出来的热油怎么走并回到冷却器呢,麻烦再给看一下。想发个总图,但恐怕打开后看不清楚,所以用了个局部图,它是三个泵-马达组合,两后轮各一个,前轮通过差速器一个.还是放个总图将就参考一下吧

回复

使用道具 举报

  • 打卡等级:无名新人
  • 打卡总天数:1
  • 打卡总奖励:2
发表于 2015-12-28 16:07:18 | 显示全部楼层
G口的油用于冲洗马达轴承,并经马达泄漏口直接回到油箱
回复

使用道具 举报

发表于 2015-12-30 10:02:31 | 显示全部楼层
zhouhengwen 发表于 2015-12-26 10:39
谢谢你的解释,但问题是从冲洗阀出来的热油怎么走并回到冷却器呢,麻烦再给看一下。想发个总图,但恐怕打开 ...

加个QQ好友吧,我的QQ250033160
回复

使用道具 举报

  • 打卡等级:偶尔看看
  • 打卡总天数:91
  • 打卡总奖励:173
发表于 2020-12-18 17:10:41 | 显示全部楼层
图比较复杂,学习中
回复

使用道具 举报

  • 打卡等级:初来乍到
  • 打卡总天数:31
  • 打卡总奖励:75
发表于 2020-12-20 16:57:11 | 显示全部楼层
热油交换阀会把一部分原来从油马达出口回到油泵入口的液压油排出到油马达的壳体内,再从壳体T口连接冷却器。缺少的液压油从冷却後的补油泵油加回,从而降低系统油温。
回复

使用道具 举报

  • 打卡等级:无名新人
  • 打卡总天数:1
  • 打卡总奖励:1
发表于 2020-12-21 09:27:16 | 显示全部楼层
游勇 发表于 2020-12-20 16:57
热油交换阀会把一部分原来从油马达出口回到油泵入口的液压油排出到油马达的壳体内,再从壳体T口连接冷却器 ...

游老师,这样的接法会不会导致马达壳体压力过高,损坏骨架油封?或者说 力士乐马达允许这样接么?
回复

使用道具 举报

  • 打卡等级:初来乍到
  • 打卡总天数:31
  • 打卡总奖励:75
发表于 2020-12-21 11:12:23 | 显示全部楼层
大东去浪尽 发表于 2020-12-21 09:27
游老师,这样的接法会不会导致马达壳体压力过高,损坏骨架油封?或者说 力士乐马达允许这样接么?

只要按油马达泄油及管路是选用原来尺寸的大小,及没有过滤器,便没问题。
回复

使用道具 举报

您需要登录后才可以回帖 登录 | 立即注册

本版积分规则