设为首页
收藏本站
所有帖子
关于我们
联系我们
微信群
开启辅助访问
搜索
搜索
本版
用户
门户
Portal
资讯
液压资讯
观点
观点
产品
液压产品
技术
液压技术
合集
导读
Guide
下载
签到
金币
论坛
BBS
登录
立即注册
腾讯QQ
账号
自动登录
找回密码
密码
登录
立即注册
只需一步,快速开始
好友
动态
收藏
分享
帖子
日志
记录
相册
留言板
勋章
任务
道具
设置
退出
液压圈
»
论坛
›
液压元件
›
液压泵马达
›
请教这个是什么泵,那个阀起什么作用
负载敏感资料下载
|
液压培训资料下载
|
液压样本下载
|
AMESim资料下载
|
力士乐资料下载
|
挖掘机资料下载
|
标准资料下载
|
多路阀资料下载
返回列表
查看:
3590
|
回复:
3
请教这个是什么泵,那个阀起什么作用
[复制链接]
jixiehit
jixiehit
当前离线
积分
5
注册时间
2016-1-25
最后登录
1970-1-1
IP卡
狗仔卡
发表于 2016-1-25 21:35:58
|
显示全部楼层
|
阅读模式
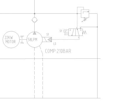
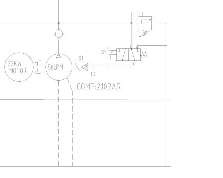
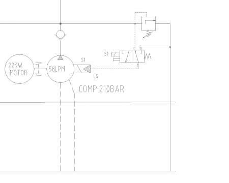
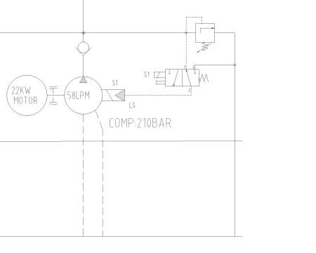
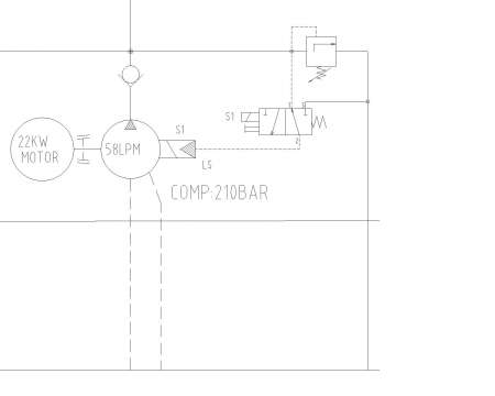
请教这个是什么
泵
,那个阀起什么作用:
请教这个是什么泵
,
那个阀起什么作用
请教这个是什么泵,那个阀起什么作用
请教这个是什么泵,那个阀起什么作用
回复
使用道具
举报
提升卡
置顶卡
变色卡
ledhuo
ledhuo
当前离线
积分
186
注册时间
2015-12-16
最后登录
1970-1-1
IP卡
狗仔卡
打卡等级:初来乍到
打卡总天数:37
打卡总奖励:44
发表于 2016-1-26 01:05:14
|
显示全部楼层
这个阀连接ls,负荷传感,如果电磁铁得电则ls泄压导致最大排量锁定!
回复
使用道具
举报
卖女孩的火柴
卖女孩的火柴
当前离线
积分
1109
注册时间
2011-10-9
最后登录
1970-1-1
IP卡
狗仔卡
打卡等级:伴坛终老
打卡总天数:2579
打卡总奖励:6411
发表于 2016-1-27 11:43:26
|
显示全部楼层
恒压泵 简单的画法
回复
使用道具
举报
hyc
hyc
当前离线
积分
83
注册时间
2014-11-16
最后登录
1970-1-1
IP卡
狗仔卡
打卡等级:偶尔看看
打卡总天数:78
打卡总奖励:362
发表于 2016-1-29 10:23:00
|
显示全部楼层
貌似两段排量控制。带机械顶杆的电磁铁得电大排量,电磁铁失电小排量。如果泵小排量设置为零,待机状态为零流量输出。
回复
使用道具
举报
返回列表
高级模式
B
Color
Image
Link
Quote
Code
Smilies
您需要登录后才可以回帖
登录
|
立即注册
本版积分规则
发表回复
回帖后跳转到最后一页
浏览过的版块
液压技术
插装阀
AMESim
资料下载
工程机械
快速回复
返回顶部
返回列表