搜索
汉力达液压金币充值官方微信群液压资料下载
查看: 4670|回复: 7

关于油缸回路

[复制链接]
发表于 2016-1-28 09:32:40 | 显示全部楼层 |阅读模式
平衡阀油缸,哪个是前进油口,哪个是后进油口,回路原理是怎样的?请懂这方面的专家们指点一下,谢谢!急用!
093238qjdbb76jt7k6jbtt.jpg
093239yr3ks1bbn9rggnnn.jpg
  • 打卡等级:偶尔看看
  • 打卡总天数:118
  • 打卡总奖励:605
发表于 2016-1-28 10:46:04 | 显示全部楼层
不知道你所说的前进油口和后进油口是什么意思
A-B 正常动作 B-A有背压支持
一般是B口接油缸油口 A口接到换向阀
回复

使用道具 举报

  • 打卡等级:常驻居民
  • 打卡总天数:517
  • 打卡总奖励:1385
发表于 2016-1-28 10:50:12 | 显示全部楼层
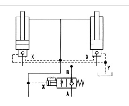
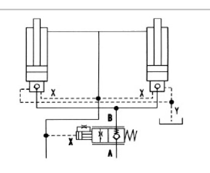
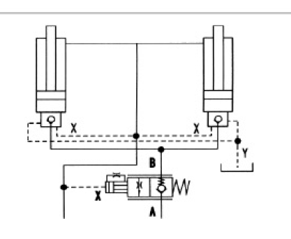
平衡阀的应用参见截图
QQ截图20160128104538.png
回复

使用道具 举报

 楼主| 发表于 2016-1-28 11:44:58 | 显示全部楼层
诚实可靠小郎君 发表于 2016-1-28 10:46
不知道你所说的前进油口和后进油口是什么意思
A-B 正常动作 B-A有背压支持
一般是B口接油缸油口 A口接到 ...

请帮忙分析一下,谢谢!
114458g1khivitddz9k9rh.jpg
回复

使用道具 举报

  • 打卡等级:常驻居民
  • 打卡总天数:349
  • 打卡总奖励:1339
发表于 2016-1-28 14:45:23 | 显示全部楼层
麻烦你能将这部分功能动作的原理图发上来吗?结合图
回复

使用道具 举报

 楼主| 发表于 2016-1-28 15:00:37 | 显示全部楼层
lygbeyondgod 发表于 2016-1-28 14:45
麻烦你能将这部分功能动作的原理图发上来吗?结合图

我现在就因为没原理图,有一些地方不明白,只有缸的图片。
回复

使用道具 举报

发表于 2016-1-28 17:18:36 | 显示全部楼层
1、请确定油缸受力形式,暂定大腔受载;
2、受载腔需要平衡阀,按此分析,1口可能是有杆腔,2口可能是对应A,3口可能对应T;
3、铭牌,把铭牌拍下来,发论坛上看看,再对照阀样本就很容易确定油口了。
还可以试试这个方法,往1口里注油,然后外力拉伸活塞杆,若出油,则证明1确实为有杆腔。
回复

使用道具 举报

发表于 2016-1-28 22:15:54 | 显示全部楼层
最好有整张的原理图,或者根据油路逆向思维
回复

使用道具 举报

您需要登录后才可以回帖 登录 | 立即注册

本版积分规则