搜索
汉力达液压金币充值官方微信群液压资料下载
查看: 4615|回复: 8

请教下这个液压系统设计的合理吗?

[复制链接]
发表于 2016-3-9 17:26:02 | 显示全部楼层 |阅读模式
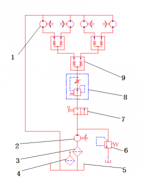
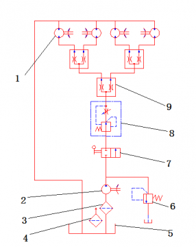
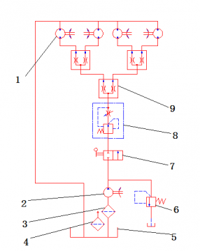
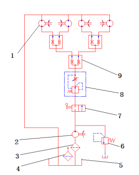
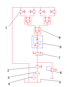
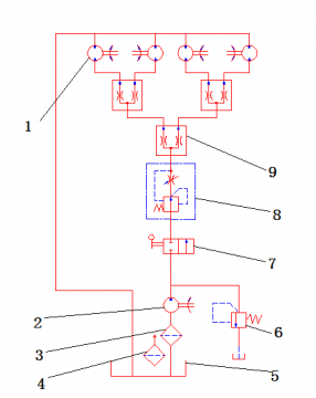
系统压力16Mpa,液压马达工作阻力较小,力矩20N.m,转速250左右,,那这个系统这样设计合理吗,能保证4个马达转速相同吗

液压系统

液压系统


发表于 2016-3-10 13:41:57 | 显示全部楼层
1、请注意一下调速阀,方向反了
2、马达容积效率影响,不会同步
回复

使用道具 举报

  • 打卡等级:以坛为家
  • 打卡总天数:846
  • 打卡总奖励:2016
发表于 2016-3-10 19:56:33 | 显示全部楼层
马达并联行不行?
回复

使用道具 举报

  • 打卡等级:无名新人
  • 打卡总天数:3
  • 打卡总奖励:13
发表于 2016-3-12 23:20:01 | 显示全部楼层
不行,要加同步模块
回复

使用道具 举报

 楼主| 发表于 2016-3-13 15:10:05 | 显示全部楼层
暖风 发表于 2016-3-10 13:41
1、请注意一下调速阀,方向反了
2、马达容积效率影响,不会同步

谢谢提醒,调速阀装反了!那我现在让马达并联这样会比之前好些吧
QQ截图20160313125922.png
回复

使用道具 举报

 楼主| 发表于 2016-3-13 15:12:08 | 显示全部楼层
zjx0573 发表于 2016-3-12 23:20
不行,要加同步模块

嗯,那我这样装会比之前好些吧
QQ截图20160313125922.png
回复

使用道具 举报

 楼主| 发表于 2016-3-13 15:14:45 | 显示全部楼层
2110801044 发表于 2016-3-10 19:56
马达并联行不行?

如果几台马达或液压缸并联工作,由同一个油源供油,并且各支路上没有任何方式的控制,那么承受最小负载的首先开始工作循环,它的行程完成后。第二小负载的开始工作,依次类推。
回复

使用道具 举报

  • 打卡等级:无名新人
  • 打卡总天数:5
  • 打卡总奖励:22
发表于 2016-3-14 13:00:23 | 显示全部楼层
可以并联啊,不过马达你得用同步分流马达,这样就不存在不同步的问题了。
回复

使用道具 举报

发表于 2016-3-22 16:19:46 | 显示全部楼层
看你的同步性要求有多高,然后分流阀的流量范围一定要合适,才能做到比较同步。
另外,说一个别的问题,这个系统里面,如果马达不需要工作,手动阀处于关闭状态的时候,齿轮泵一直溢流发热?这样,不好吧?另外不知道你流量多大,如果流量很大的话,手动阀动起来比较费劲。
回复

使用道具 举报

您需要登录后才可以回帖 登录 | 立即注册

本版积分规则