搜索
金币充值液压资料下载官方微信群
12
返回列表 发新帖
楼主: wuxiang

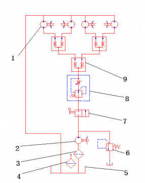
{液压马达串联}这个系统这样设计合理吗

[复制链接]
 楼主| 发表于 2016-3-13 15:17:07 | 显示全部楼层
cyxz 发表于 2016-3-10 00:14
同步是液压的难点,如果同步要求很高,就需要伺服比例+转速反馈

如果精度要求不高的话,用同步阀的就行吧
回复

使用道具 举报

 楼主| 发表于 2016-3-13 15:18:39 | 显示全部楼层
shizhihui 发表于 2016-3-10 08:55
这也太省事了吧!!建议前面加同步分流器,这样会比较好

嗯,这样确实太简单,不妥
回复

使用道具 举报

 楼主| 发表于 2016-3-13 15:21:52 | 显示全部楼层
wjw 发表于 2016-3-10 12:44
流量不够吗?四个马达串接?

想着不让油箱尺寸太大,,现在改成并联,同步性会好些吧

56

56
回复

使用道具 举报

 楼主| 发表于 2016-3-13 15:24:42 | 显示全部楼层
暖风 发表于 2016-3-10 13:44
1、马达容积效率,不可能同步
2、调速阀,安装反了
3、加分流器效果也未必好

我用液压同步分流马达效果会不会好些
回复

使用道具 举报

  • 打卡等级:无名新人
  • 打卡总天数:2
  • 打卡总奖励:3
发表于 2016-3-14 10:48:06 | 显示全部楼层
wuxiang 发表于 2016-3-13 15:24
我用液压同步分流马达效果会不会好些

直接用四联同步分流马达,效果会比你现在的同步阀好
回复

使用道具 举报

您需要登录后才可以回帖 登录 | 立即注册

本版积分规则