搜索
汉力达液压金币充值官方微信群液压资料下载
查看: 3506|回复: 7

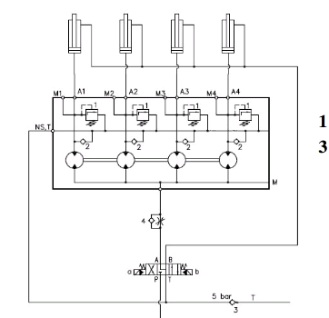
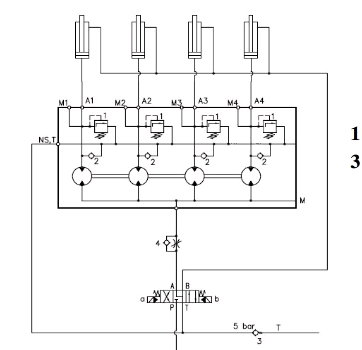
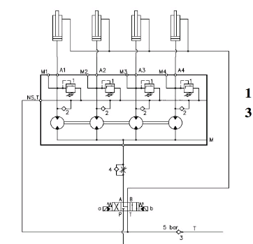
请教这个回路的原理?

  [复制链接]
发表于 2016-3-14 00:52:18 | 显示全部楼层 |阅读模式
主要是不明白,这些同步马达,在作动筒大腔下降时,大腔的回油怎么回去油箱的..
这个马达可以反向趋动?
可以的话,是不是会抬高大腔回油的回油压力?

请教这个回路的原理?

请教这个回路的原理?
发表于 2016-3-14 07:31:57 | 显示全部楼层
马达都可以正反转的 四个马达同轴 刚性连接 但马达又不带载 只给一个最小驱动的力就可以转了
回复

使用道具 举报

 楼主| 发表于 2016-3-14 09:48:07 | 显示全部楼层
quankehua 发表于 2016-3-14 07:31
马达都可以正反转的 四个马达同轴 刚性连接 但马达又不带载 只给一个最小驱动的力就可以转了

作为作动筒大腔的回油通道回油怎么回?会抬高作动筒大腔的压力?

点评

下降时马达的作用类似于出口节油,节油口开度相同,从而实现同步。上升时类似进口节油,从而实现同步。都会有一定的压力损失。  发表于 2016-3-15 09:06
回复

使用道具 举报

  • 打卡等级:偶尔看看
  • 打卡总天数:144
  • 打卡总奖励:429
发表于 2016-3-14 10:45:18 | 显示全部楼层
马达起同步作用吧,,,,,保证液压缸升降同步,液压同步器
回复

使用道具 举报

  • 打卡等级:偶尔看看
  • 打卡总天数:92
  • 打卡总奖励:268
发表于 2016-3-14 14:38:35 | 显示全部楼层
同步马达是意大利的吗?
回复

使用道具 举报

  • 打卡等级:无名新人
  • 打卡总天数:2
  • 打卡总奖励:2
发表于 2016-3-14 20:24:28 来自手机 | 显示全部楼层
如果要油缸下降,须用五联同步马达,第五联带动油缸下降。
回复

使用道具 举报

发表于 2016-3-15 21:52:41 | 显示全部楼层
lljwq 发表于 2016-3-14 09:48
作为作动筒大腔的回油通道回油怎么回?会抬高作动筒大腔的压力?

回油还是从同步马达里回去 按理来说 会增加一点 压力的
回复

使用道具 举报

您需要登录后才可以回帖 登录 | 立即注册

本版积分规则