搜索
汉力达液压金币充值官方微信群液压资料下载
查看: 5693|回复: 7

新人贴求助,原理图不清楚,请大神帮忙

  [复制链接]
  • 打卡等级:偶尔看看
  • 打卡总天数:66
  • 打卡总奖励:189
发表于 2016-4-15 15:59:29 | 显示全部楼层 |阅读模式
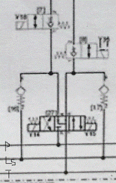
各位大神,请问P口经换向阀出来后接一个单向阀至LS路干嘛作用的?而且上面那个换向阀又起什么作用啊

新人贴求助,原理图不清楚,请大神帮忙

新人贴求助,原理图不清楚,请大神帮忙
  • 打卡等级:论坛老炮
  • 打卡总天数:1200
  • 打卡总奖励:3273
发表于 2016-4-15 21:19:55 | 显示全部楼层
没有那个单向阀,其他油路换向岂不是通过ls到这一联的执行机构去了。

换相阀的作用是锁住执行机构,不让执行机构动作的。
回复

使用道具 举报

  • 打卡等级:以坛为家
  • 打卡总天数:846
  • 打卡总奖励:2016
发表于 2016-4-15 21:25:29 | 显示全部楼层
我的理解:
1、上面的LS表示的变量泵带负荷敏感LS口,即指变量泵的变量压力会随着负载变化而变化,一般高于负载2Mpa左右。在外负载压力变化下,LS负载压力口的作用是控制变量泵的压力输出,以达到节能的效果。
2、上面两个两路换向阀控制双作用油缸的进油和回油的,在流量和压力参数允许的情况下,采用液压螺纹插装阀有效控制油缸,比起叠加式液压阀更具有油泄露少,控制精度高等优点。
建议楼主把整个原理图贴出来可以完整地分析。
回复

使用道具 举报

  • 打卡等级:偶尔看看
  • 打卡总天数:66
  • 打卡总奖励:189
 楼主| 发表于 2016-4-16 07:55:52 | 显示全部楼层
液压哥 发表于 2016-4-15 21:19
没有那个单向阀,其他油路换向岂不是通过ls到这一联的执行机构去了。

换相阀的作用是锁住执行机构,不让执 ...

换向阀的作用是锁住执行机构。如果用一个平衡阀代替不是一样的作用么?

点评

平衡阀在负载运动时背压是很大的,这个换向阀却没有。就跟平衡阀和液压锁的区别一样。  详情 回复 发表于 2016-4-16 08:43
回复

使用道具 举报

  • 打卡等级:偶尔看看
  • 打卡总天数:66
  • 打卡总奖励:189
 楼主| 发表于 2016-4-16 07:59:24 | 显示全部楼层
2110801044 发表于 2016-4-15 21:25
我的理解:
1、上面的LS表示的变量泵带负荷敏感LS口,即指变量泵的变量压力会随着负载变化而变化,一般高 ...

ls路解释正解!原理图没有,只有一个pdf的半个图,很不清晰,只能看视频分析工作的。请问如何联系啊!
回复

使用道具 举报

  • 打卡等级:论坛老炮
  • 打卡总天数:1200
  • 打卡总奖励:3273
发表于 2016-4-16 08:43:20 | 显示全部楼层
夜空繁星 发表于 2016-4-16 07:55
换向阀的作用是锁住执行机构。如果用一个平衡阀代替不是一样的作用么?

平衡阀在负载运动时背压是很大的,这个换向阀却没有。就跟平衡阀和液压锁的区别一样。
回复

使用道具 举报

  • 打卡等级:以坛为家
  • 打卡总天数:846
  • 打卡总奖励:2016
发表于 2016-4-16 11:56:48 | 显示全部楼层
夜空繁星 发表于 2016-4-16 07:59
ls路解释正解!原理图没有,只有一个pdf的半个图,很不清晰,只能看视频分析工作的。请问如何联系啊!

我的QQ:460422964,有什么可以相互学习
回复

使用道具 举报

  • 打卡等级:初来乍到
  • 打卡总天数:30
  • 打卡总奖励:74
发表于 2016-4-16 16:33:26 | 显示全部楼层
看来楼主的视频也不靠谱。用普通方向阀来连接负荷传感泵也没用,一般方向阀的压差很低,只有几个Bar,要加上叠加式节流阀才有意义。
回复

使用道具 举报

您需要登录后才可以回帖 登录 | 立即注册

本版积分规则