搜索
金币充值液压资料下载官方微信群
查看: 4837|回复: 6

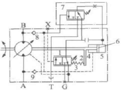
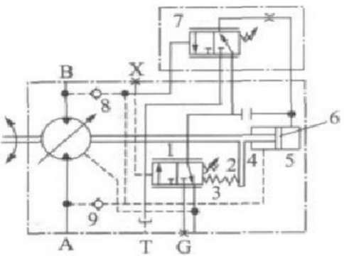
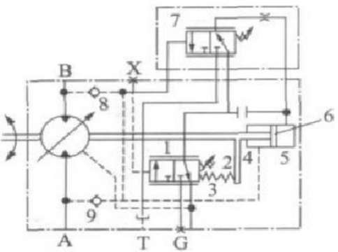
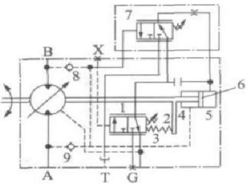
A6VH1D1变量马达压力设置

[复制链接]
发表于 2016-4-21 15:19:27 | 显示全部楼层 |阅读模式
1、请教下A6V变量马达压力切断阀设置压力是多少?
2、当系统压力刚好等于压力切断阀设置压力,此时马达发生抖动,该怎么搞?

A6VH1D1变量马达压力设置

A6VH1D1变量马达压力设置
  • 打卡等级:初来乍到
  • 打卡总天数:46
  • 打卡总奖励:140
发表于 2016-4-21 19:35:50 | 显示全部楼层
压力切断设置影响的是速度,可以将压力切断值设低一些,然后用不同负载做实验,具体低到多少确实我现在没有依据,希望有大神可以解答,我这也只是个人建议;
回复

使用道具 举报

 楼主| 发表于 2016-4-22 09:12:11 | 显示全部楼层
Darren 发表于 2016-4-21 19:35
压力切断设置影响的是速度,可以将压力切断值设低一些,然后用不同负载做实验,具体低到多少确实我现在没有 ...

thanks
我的第一个问题应该是一个经验设置值,根据马达不同用途来设置的
关键是第二个问题,有没有大神可以支几个招?
回复

使用道具 举报

  • 打卡等级:论坛老炮
  • 打卡总天数:1306
  • 打卡总奖励:4126
发表于 2016-4-30 15:11:25 | 显示全部楼层
压力切断了,流量都卸掉了,回油箱了。肯定不能稳定负载。请提供压力切断的负载压力
回复

使用道具 举报

 楼主| 发表于 2016-5-5 13:47:55 | 显示全部楼层
压力切断阀设置压力16 Mpa,当负载压力也在这个值时,如何解决?
回复

使用道具 举报

发表于 2016-5-6 08:09:46 来自手机 | 显示全部楼层
aliolion 发表于 2016-4-30 15:11
压力切断了,流量都卸掉了,回油箱了。肯定不能稳定负载。请提供压力切断的负载压力

马达压力切断是将马达的排量变回最大状态以满足扭矩需要同时避免压力过高发生损害,流量怎么会泄掉呢?
回复

使用道具 举报

  • 打卡等级:论坛老炮
  • 打卡总天数:1306
  • 打卡总奖励:4126
发表于 2016-5-6 09:57:57 | 显示全部楼层
静静等待 发表于 2016-5-6 08:09
马达压力切断是将马达的排量变回最大状态以满足扭矩需要同时避免压力过高发生损害,流量怎么会泄掉呢?

对,有道理,我搞错了
回复

使用道具 举报

您需要登录后才可以回帖 登录 | 立即注册

本版积分规则