搜索
汉力达液压金币充值官方微信群液压资料下载
查看: 4627|回复: 4

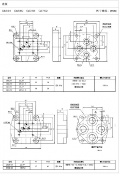
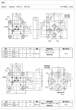
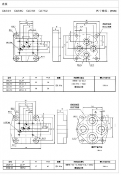
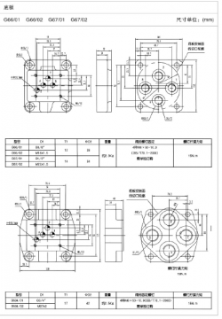
请问如图(样本)中连接板有不同规格的是什么意思

[复制链接]
  • 打卡等级:初来乍到
  • 打卡总天数:37
  • 打卡总奖励:120
发表于 2016-4-28 22:34:54 | 显示全部楼层 |阅读模式

请问如图(样本)中连接板有不同规格的是什么意思

请问如图(样本)中连接板有不同规格的是什么意思
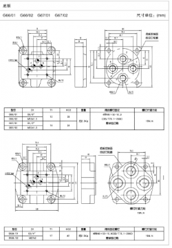
菜鸟一枚 这个阀用连接板有很多规格的是什么意思?不知道哪个油口对应哪个?我现在就是想知道阀上每个油口的大小以及位置,附上206页如图

请问如图(样本)中连接板有不同规格的是什么意思

请问如图(样本)中连接板有不同规格的是什么意思

请问如图(样本)中连接板有不同规格的是什么意思

请问如图(样本)中连接板有不同规格的是什么意思
  • 打卡等级:偶尔看看
  • 打卡总天数:66
  • 打卡总奖励:158
发表于 2016-4-29 12:40:32 | 显示全部楼层
本帖最后由 zzfjct 于 2016-4-29 12:42 编辑

同一规格液压阀配不同规格的连接板以采用不同规格的接口螺纹和管路,适应系统不同的实际流量。
回复

使用道具 举报

  • 打卡等级:论坛老炮
  • 打卡总天数:1409
  • 打卡总奖励:4214
发表于 2016-4-29 16:33:49 | 显示全部楼层
阀的连接块其实就是将阀的几个油口间距放大,然后便于系统管路连接。底板图是用平面图表示的,你按照阀的油口方位可以确定出油口,不过有的样本上油口直接标注在了底板平面图中。
回复

使用道具 举报

  • 打卡等级:初来乍到
  • 打卡总天数:37
  • 打卡总奖励:120
 楼主| 发表于 2016-4-29 23:05:14 | 显示全部楼层
zzfjct 发表于 2016-4-29 12:40
同一规格液压阀配不同规格的连接板以采用不同规格的接口螺纹和管路,适应系统不同的实际流量。

意思是根据不同的系统实际需要 选用不同大小的链接块 其中同一阀上的油口大小是相同的吗?
另外 阀的螺钉固定(第二张图中第一个表格第六列的表头)是什么意思?为什么与图中油口旁的螺纹大小不一致呢?
回复

使用道具 举报

发表于 2016-4-30 10:36:35 | 显示全部楼层
我是小学生,来学习的
回复

使用道具 举报

您需要登录后才可以回帖 登录 | 立即注册

本版积分规则