搜索
汉力达液压金币充值官方微信群液压资料下载
查看: 5194|回复: 9

液压系统疑难杂症

[复制链接]
  • 打卡等级:无名新人
  • 打卡总天数:1
  • 打卡总奖励:5
发表于 2016-5-9 09:40:13 | 显示全部楼层 |阅读模式
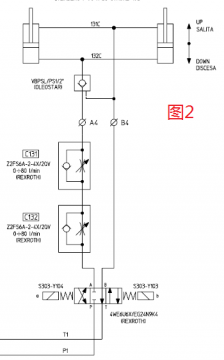
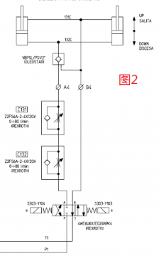
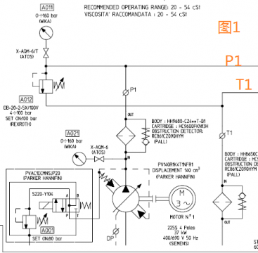
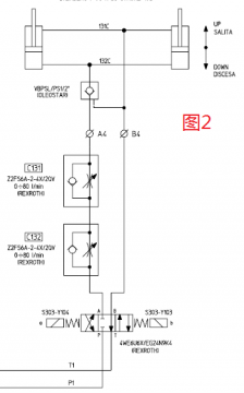
问题:图1为动力源,图2的液压缸是一个升降台,现在的问题是升降台达不到设计载荷了,设计载荷3.5T,上到3.1T左右就比较费劲了,我现在解决的方法是把主出口压力调高了10bar,但带来的后果是油箱温度高,大家给分析下
注:我还有相同的设备,都是按图纸设定要求的压力,都没问题,

液压系统疑难杂症

液压系统疑难杂症

液压系统疑难杂症

液压系统疑难杂症
  • 打卡等级:无名新人
  • 打卡总天数:5
  • 打卡总奖励:6
发表于 2016-5-9 09:48:09 | 显示全部楼层
调主油压的时候,是不是只调高了变量泵的压力,没有调安全阀的压力,造成系统压力没有上升到变量泵的设定压力而一直通过安全阀溢流???摸摸安全阀的溢流管温度就知道...
回复

使用道具 举报

  • 打卡等级:初来乍到
  • 打卡总天数:44
  • 打卡总奖励:323
发表于 2016-5-9 09:59:33 | 显示全部楼层
泵的泄油是否大,是否随调压变化大?
回复

使用道具 举报

  • 打卡等级:无名新人
  • 打卡总天数:1
  • 打卡总奖励:5
 楼主| 发表于 2016-5-9 10:24:32 | 显示全部楼层
zhanghaibowin 发表于 2016-5-9 09:48
调主油压的时候,是不是只调高了变量泵的压力,没有调安全阀的压力,造成系统压力没有上升到变量泵的设定压力 ...

主要问题是升降台达不到设定载荷了

点评

人家问你有没有调安全阀的压力,也是帮你判断,你怎么答非所问?  发表于 2016-5-9 12:43
回复

使用道具 举报

  • 打卡等级:无名新人
  • 打卡总天数:5
  • 打卡总奖励:6
发表于 2016-5-9 11:40:24 | 显示全部楼层
升降台达不到设定压力,多数是泵自带的溢流阀芯卡住了.拆下来洗洗就差不多。。。
回复

使用道具 举报

  • 打卡等级:无名新人
  • 打卡总天数:1
  • 打卡总奖励:5
 楼主| 发表于 2016-5-10 10:25:10 | 显示全部楼层
surui81 发表于 2016-5-9 10:24
主要问题是升降台达不到设定载荷了

sorry,调了变量泵的压力,溢流阀的压力也一起调了,系统压力加大了10Bar,然后油箱的温度增加了近10度,达到60度左右,其他相同设备温度在40多50度左右。
回复

使用道具 举报

发表于 2016-5-12 22:57:31 | 显示全部楼层
首先油缸上到载荷3.1T,是否最高压力已经达到设计值了。如果达到最左设定值,依然载荷不够,是不是油缸外的机械导向出问题,导致摩擦系数增大。第二,下腔节流阀拿掉最下面一个。降低压力损耗。您可以在夜控单向阀与油缸下腔并联一个压力表。对比系统压力和此油表压力是否一致。如果你原来设备是好的。除非是导向静态摩擦系数过高,要么压力损耗太大。zailuniao@126.com
回复

使用道具 举报

发表于 2016-5-13 12:35:18 | 显示全部楼层
按理说调高油压,不会导致油温升高,因为油温主要是流速与流量造成的。你这是什么泵?恒功率变量泵?

如是恒功率变量泵,提高压力后,流量会减少,更不会导致油温过高。

回复

使用道具 举报

  • 打卡等级:无名新人
  • 打卡总天数:1
  • 打卡总奖励:3
发表于 2016-5-13 22:42:24 | 显示全部楼层
本帖最后由 murtha 于 2016-5-13 22:45 编辑

液控单向阀应该放在靠近换向阀的位置。否则节流阀产生的背压将导致液控单向阀不能顺利保压。中位机能应该选Y型。
回复

使用道具 举报

您需要登录后才可以回帖 登录 | 立即注册

本版积分规则