搜索
汉力达液压金币充值官方微信群液压资料下载
查看: 3622|回复: 2

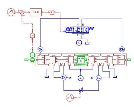
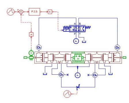
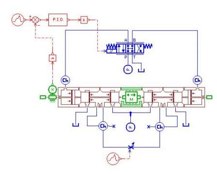
请教MOOG三级电液伺服阀仿真参数的设置?

[复制链接]
  • 打卡等级:无名新人
  • 打卡总天数:3
  • 打卡总奖励:5
发表于 2016-6-2 12:28:04 | 显示全部楼层 |阅读模式

请教各位专家,大神,进行伺服阀动静态特性仿真,如何根据样本参数设置仿真参数,以MOOG三级级电液伺服阀D791为例,如何获取参数,样本中没有的参数如阀芯质量等该如何设置?



请赐教,万分感谢

请教MOOG三级电液伺服阀仿真参数的设置?

请教MOOG三级电液伺服阀仿真参数的设置?

请教MOOG三级电液伺服阀仿真参数的设置?

请教MOOG三级电液伺服阀仿真参数的设置?
  • 打卡等级:偶尔看看
  • 打卡总天数:107
  • 打卡总奖励:321
发表于 2016-6-3 01:43:22 | 显示全部楼层
一个好的模型是非常困难的。
有许多参数来确定。
PID增益。
增益,阻尼因子,和固有频率的导阀。
增益,阻尼因子和自然频率的主阀。
阀芯摆率和泄漏的飞行员和主阀。

我会用一个集总模型,并使用从Bode图的数据来估计与仅有增益,阻尼因子和固有频率的简单模型。

A good model is very difficult.
There are many parameters to determine.
The PID gains.
The gain, damping factor, and natural frequency for the pilot valve.
The gain, damping factor and natural frequency for the primary valve.
The spool slew rates and leakage for the pilot and primary valve.

I would use a lumped model and use the data from the Bode plot to estimate a simple model with just a gain, damping factor and natural frequency.


回复

使用道具 举报

  • 打卡等级:无名新人
  • 打卡总天数:3
  • 打卡总奖励:5
 楼主| 发表于 2016-6-3 19:51:30 | 显示全部楼层
谢谢解答,不过还是不太明白,能否给出一些参数设置的基本经验呢?
回复

使用道具 举报

您需要登录后才可以回帖 登录 | 立即注册

本版积分规则