搜索
汉力达液压金币充值官方微信群液压资料下载
查看: 13195|回复: 9

压铸机增压部分不太明白求大神指点

  [复制链接]
发表于 2016-6-11 00:06:39 | 显示全部楼层 |阅读模式

压铸机增压部分不太明白求大神指点

压铸机增压部分不太明白求大神指点

发表于 2016-6-11 04:48:04 | 显示全部楼层
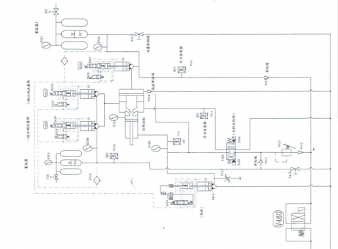
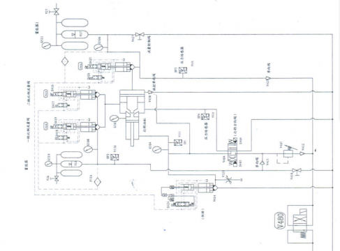
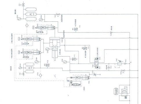
这是哪个傻逼画的?我压铸机液压第一人都看半天,所有回油线都不就地画个小油箱符号解决,乱交叉乱折转乱得一逼。怎么所有的画图工都这个能力呢,我就没看过一张合格的液压图。你八成也是这个能力,你传的这张图,就不能放大点,旋转正了,再发嘛?叫人怎么看?我下载放大,还是有些细节看不清。

增压部分,他用了顶杆插装阀,很少人见过,所以仅通过液压图,你很难看懂,因为你不了解阀的结构。而且这个傻逼,把一快,二快,增压,快排,全改用顶杆插装阀,可斩该傻逼,哪家的图?

你说你看不懂增压部分,增压部分有毛,不就是顶杆插装阀吗?如果你看不懂增压部分,一快,二快,快排你都看不懂,所以我不明白你要问什么,另外,你一个字的具体介绍也没有,我也大可不必手绘几张,费那事说明了。
回复

使用道具 举报

发表于 2016-6-11 05:02:29 | 显示全部楼层
本帖最后由 十年误国 于 2016-6-11 06:40 编辑

顶杆插装阀是我据原理起的名,那帮傻逼可能叫比例截流阀,还是叫什么玩意,以和比例流量阀区别,因为比例流量阀是滑阀式的,而它这是锥阀式的,通径大,帕克的烂发明。

机器可能叫半实时,就是这模监测到速度变慢了,下一模,比例截流阀自动加大开口量,补偿速度。只限于大吨位这样搞,因为成本是一方面,故障率是一方面,弄得烂复杂,此阀本就复杂,加上一二快,快排全用这种阀,更完蛋。

二快用这个阀也就罢了,一快,快排,增压根本没必要用这个阀,因为需要控制增压速度嘛?纯装逼,只为宰客。没这样请教请人的,既无具体问题,传的图还看不清。我在网上找了一张我前些年传的照片,才看清原理,意大利猪的设计——
因为比例电磁阀,是个三位四通O形机能,所以在中位O型机能时,顶杆后端不通常通储能器,怕顶杆压不住,所以又闹了个两位四通电磁阀,引储能器油常压顶杆后端。此电磁阀就这一个功能,因为其得电时的机能是O型,哪都不通。

我就耐了闷了,比例电磁阀中位机能,你弄个J型好了,引储能器油压住顶杆后端,怎么又闹出个两位电磁阀。





b20e6a63f6246b60fb2dc2cdebf81a4c510fa26b.jpg
回复

使用道具 举报

发表于 2016-6-11 06:44:04 | 显示全部楼层
上图这个意大利的猪的设计,十分复杂,比例电磁阀的来油,引自专用储能器(铅笔处),还它妈专门设个储能器,而你图中的来油,引自增压储能器,此油同时控制快排的装逼阀。
回复

使用道具 举报

  • 打卡等级:无名新人
  • 打卡总天数:5
  • 打卡总奖励:15
发表于 2016-6-11 16:15:37 | 显示全部楼层
使用的是增压缸原理,利用油缸的面积比,大腔输入低压,小腔输出高压。压铸机以前维修过日本三菱压铸机
回复

使用道具 举报

 楼主| 发表于 2016-6-12 20:47:48 | 显示全部楼层
十年误国 发表于 2016-6-11 05:02
顶杆插装阀是我据原理起的名,那帮傻逼可能叫比例截流阀,还是叫什么玩意,以和比例流量阀区别,因为比例流 ...

不好意思大神.我第一次逛这里也是第一次请教多多包含。谢谢你的指导提醒.
回复

使用道具 举报

 楼主| 发表于 2016-6-12 21:15:46 | 显示全部楼层
十年误国 发表于 2016-6-11 04:48
这是哪个傻逼画的?我压铸机液压第一人都看半天,所有回油线都不就地画个小油箱符号解决,乱交叉乱折转乱得 ...

见谅见谅大神.这是我们公司的图纸,其实我就是想问问一块 二块 和快排怎么回事.以前没做过压铸机做的是工程机械,看了图没懂,还有这个网上也是第一次提问新人不懂事,还请大神费心
回复

使用道具 举报

 楼主| 发表于 2016-6-12 21:28:53 | 显示全部楼层
十年误国 发表于 2016-6-11 04:48
这是哪个傻逼画的?我压铸机液压第一人都看半天,所有回油线都不就地画个小油箱符号解决,乱交叉乱折转乱得 ...

我没看到附件。以为只能照片 抱歉 你看下附件吧

500吨压铸机原理图.pdf

405.3 KB, 下载次数: 248

售价: 5 金钱  [记录]

回复

使用道具 举报

发表于 2016-6-13 05:12:02 | 显示全部楼层
本帖最后由 十年误国 于 2016-6-13 05:44 编辑
六月骄阳 发表于 2016-6-12 21:15
见谅见谅大神.这是我们公司的图纸,其实我就是想问问一块 二块 和快排怎么回事.以前没做过压铸机做的是工 ...
你问清楚嘛,谁知道你想了解什么。

老式机没有一快,在开模时,压射头要顶出料柄,老式机用慢压射顶,经常顶不出来(这个动作叫压射跟踪,在慢压射跟出料柄时,系统油在开模,同时再驱慢压射跟出料柄?如果开模力明显小于跟踪力,则只开模,而跟不出料柄),如果用二快跟踪,则开模时咣当一下,冲击大,老式小吨位就是这样干的。

所以后来加了个16通径的插装阀,引储能器油跟出料柄,叫一快。在一快出现之前的时期,二快就叫快压射,没有一二快之说,加了一快后,这帮傻逼就让一快参加快压射,在二快之前启动一快,所以叫一快。一快占了快压射行程,且速度较快,往往造成二快来不及启动,影响压射加速度。但一快加入快压射也有个原因,就是料筒过长,慢压射用时过久,铝水在料筒里冷却时间过长,影响产品光洁度。所以一快加入快压射,可以理解成是把慢压射速度加快了,把慢压射的用时缩短了,而我解决此问题的方法是截料筒长度。 那么二快是不好提前启动的,因为二快行程过长,排不了气,造成产品气孔多,所以只能加快慢压射速度,即一快的作用,辅助慢压射的。 一快就这两个作用,一是在快压射之前,辅助慢压射的速度,二是在压射完成后的开模时,跟出料柄,以后者重要。

快排就不用说了,压射缸,你后腔用63通径插装阀引储能器驱活塞,这时你缸前腔也得搞个大通径阀把前腔油放掉,叫快排。

你的这张图,是滥用比例截止阀的,估计你看不懂,一般的压铸机只用电磁阀控制普通的插装阀,一二快,及快排增压,四者。

你哪个公司的?
回复

使用道具 举报

发表于 2016-6-13 05:16:55 | 显示全部楼层
本帖最后由 十年误国 于 2016-6-13 05:40 编辑

这个设计差到极点,比例节止阀,阀本身就可以变开口量,那还要一快干什么?二快先用小开口量当一快用,然后加大开口量,变成二快。 而且一快,快排,增压,没有自动变量要求,用手轮设个固定开口量即可,用比例阀干嘛?就算快排没用比例阀,那用顶杆插装阀干屁,至少比普通插装阀多道锥度密封(顶杆压到插装阀芯处),傻逼一样。

你的图看不清,那四个电磁铁符号上有没有斜箭头,有斜箭头则是比例阀,没有则不是。估计快排上没那斜箭头。就象在泵符号上加斜箭头,就是变量泵一样,在电磁铁上加斜箭头则是比例电磁铁。

滥用比例阀,极其反动,高故障高成本,低性能(比例节止阀的打开速度,可能比电磁阀控制普通插装阀还慢,那压射活塞还有毛的加速性能)。你们公司真是无耻无能。

回复

使用道具 举报

您需要登录后才可以回帖 登录 | 立即注册

本版积分规则