搜索
汉力达液压金币充值官方微信群液压资料下载
查看: 5390|回复: 5

液压动力单元

[复制链接]
发表于 2016-6-28 10:02:55 | 显示全部楼层 |阅读模式
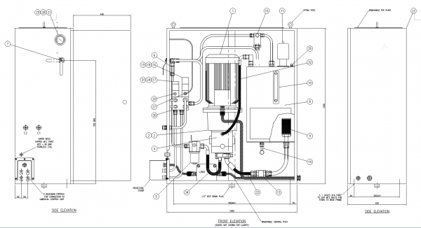
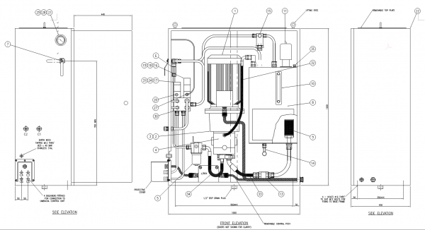
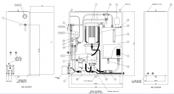
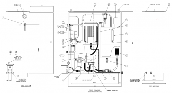
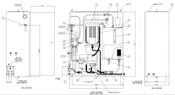
各位高手前辈,帮忙小弟看下如下图的能否指出各种编号代表的元件名称,只有这个液压系统的示意图,用于作为动力单元使用,输出端直接连接如下的液压马达规格,需要采购整套设备。帮帮忙啊本人不太了解液压知识啦

液压动力单元

液压动力单元

液压动力单元

液压动力单元

液压动力单元

液压动力单元
 楼主| 发表于 2016-6-28 13:44:31 | 显示全部楼层
没有人?没有人解答吗?我自己顶下帖子
回复

使用道具 举报

  • 打卡等级:常驻居民
  • 打卡总天数:563
  • 打卡总奖励:2233
发表于 2016-6-28 18:18:12 | 显示全部楼层
本帖最后由 邓韬1987 于 2016-6-28 18:22 编辑
cassie 发表于 2016-6-28 13:44
没有人?没有人解答吗?我自己顶下帖子


你这个要求我估计除了原始设计人没人能搞定,电机旁边那个应该是个油路块吧,上面有很多元件啥样子都看不清楚、、、、、、、、总之呢你这个很多问题的,有原理图最好,没有原理图三维图也可以,实在不行找设计的
回复

使用道具 举报

  • 打卡等级:常驻居民
  • 打卡总天数:563
  • 打卡总奖励:2233
发表于 2016-6-28 18:27:20 | 显示全部楼层
1.电机,2.3钟罩+联轴器,4泵,5.过滤器;6.应该是单向阀,7,可能是个球阀,8.油箱;9.吸油过滤网;10.液位液温计下班了、、、、、、、、
回复

使用道具 举报

  • 打卡等级:常驻居民
  • 打卡总天数:349
  • 打卡总奖励:1339
发表于 2016-6-29 09:44:44 | 显示全部楼层
1电机
2,3联轴器及钟形罩
4液压泵
5过滤器
6,7不知道什么东西
8油箱
9像是吸油口过滤网
10液位计
11空滤器
12没找到这个代号
13像是电缆,具体看不清
14放油阀
15回油过滤器
16,18,19阀组
17,24,31阀组
21,28,29像是电气柜的电压表
33貌似指的液压软管
35像是注油口
22,电气柜
哥们主要是你这张图确实不够清楚仔细,以上只是个人观点,仅供参考
回复

使用道具 举报

 楼主| 发表于 2016-6-29 10:13:06 | 显示全部楼层
楼上的lygbeyondgod 大神!大大神!
刚又找了实物的标识图,液压装置内和外面

回复

使用道具 举报

您需要登录后才可以回帖 登录 | 立即注册

本版积分规则