搜索
汉力达液压金币充值官方微信群液压资料下载
查看: 4784|回复: 4

钢厂轧机支撑辊平衡缸溜缸问题请教

[复制链接]
  • 打卡等级:无名新人
  • 打卡总天数:1
  • 打卡总奖励:7
发表于 2016-7-1 20:55:55 | 显示全部楼层 |阅读模式
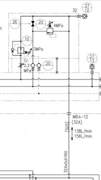
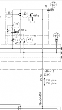
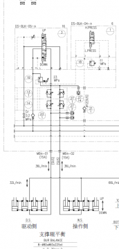
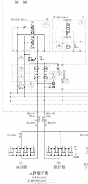
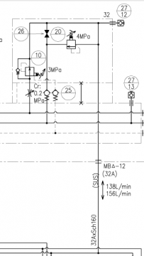
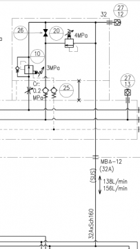
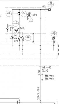
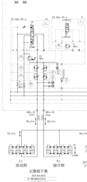
如下图,冷轧轧机支撑辊平衡缸,在换辊模式或系统都不得电的情况下,操作侧往下溜缸,压力表检测27/2点压力由11mpa逐渐下降到10mpa,27/12点压力1mpa多点,压力未见变化。请各位帮忙分析问题是否为缸泄漏,如果不是哪里出问题的概率大。先谢过了!(图纸分了两张,背压部分在第二张上)

MB1—4阀台1.pdf

376.54 KB, 下载次数: 42

售价: 5 金钱  [记录]

钢厂轧机支撑辊平衡缸溜缸问题请教

弯辊MB1—4阀台2.pdf

567.12 KB, 下载次数: 40

售价: 5 金钱  [记录]

钢厂轧机支撑辊平衡缸溜缸问题请教

  • 打卡等级:无名新人
  • 打卡总天数:1
  • 打卡总奖励:7
 楼主| 发表于 2016-7-1 21:20:52 | 显示全部楼层
图片不是很清楚,上面pdf格式的清楚些
%U`}U[22T38F`2FC3C8`ETI.png
9E}MBC]%ZCF03I~60_NPPV5.png
回复

使用道具 举报

  • 打卡等级:无名新人
  • 打卡总天数:1
  • 打卡总奖励:1
发表于 2016-7-2 02:44:54 | 显示全部楼层
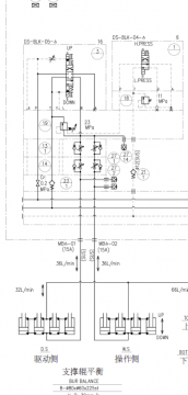
对钢厂的事不清楚,从这个原理图来看,用四通阀O型中位是不能锁定位置的,因为有泄漏。不知道你所谓的11到10用多长时间,通过时间初步可以判断是否是正常泄漏量。另外油缸泄漏也很好测,动手逐个排除检测检测就知道了
回复

使用道具 举报

  • 打卡等级:无名新人
  • 打卡总天数:1
  • 打卡总奖励:7
 楼主| 发表于 2016-7-2 10:50:34 | 显示全部楼层
液压在我心 发表于 2016-7-2 02:44
对钢厂的事不清楚,从这个原理图来看,用四通阀O型中位是不能锁定位置的,因为有泄漏。不知道你所谓的11到1 ...

时间很快,不是正常泄漏量了。由于其位置特殊,油缸在机架内部,不好动手逐个排除。我想到一个方法,就是将油缸收回,然后调高背压处减压阀的压力,看油缸缸杆是否伸出,若伸出,判断为缸内泄。,不知道此方是否科学准确。还有就是有一处想不通,为何它只一侧溜
回复

使用道具 举报

  • 打卡等级:偶尔看看
  • 打卡总天数:176
  • 打卡总奖励:795
发表于 2016-7-10 08:29:06 | 显示全部楼层
装两个单节流,没有锁,自己会泄露。O型阀封油效果不怎么滴,
回复

使用道具 举报

您需要登录后才可以回帖 登录 | 立即注册

本版积分规则