搜索
汉力达液压金币充值官方微信群液压资料下载
查看: 6397|回复: 5

东芝小挖阀

[复制链接]
  • 打卡等级:即来则安
  • 打卡总天数:266
  • 打卡总奖励:822
发表于 2016-7-7 21:52:01 | 显示全部楼层 |阅读模式
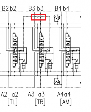
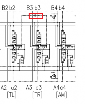
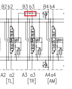
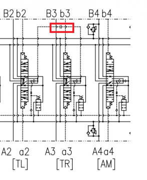
1、图中像电池的符号是什么,有什么用
2、第2联与第4联与分别与加载回路连接,均不加载时,第2联流量是60,第4联流量是40,加载第2联时,第4联的压力随着增高,基本与第2联相近。但是,第2联的流量随之减少,第4联的流量随之增加,当加载压力达到20mpa时,第2联的流量几乎为零,第4联流量基本为100。如果按照原理分析,流量应该基本保持恒定才对。现在这种现象,应该如何去排除故障,还是我理解有错误。请各路高人指点,谢谢!

东芝小挖阀

东芝小挖阀
发表于 2016-7-8 08:44:13 | 显示全部楼层
本帖最后由 彩虹 于 2016-7-8 08:46 编辑

电池的符号可能是管行走直进的,2联与4联是行走与斗杆之间流量分配关系
回复

使用道具 举报

  • 打卡等级:无名新人
  • 打卡总天数:14
  • 打卡总奖励:47
发表于 2016-7-8 08:44:53 | 显示全部楼层
这个图补全吧,要不可能是一些辅助发引起的
回复

使用道具 举报

  • 打卡等级:即来则安
  • 打卡总天数:266
  • 打卡总奖励:822
 楼主| 发表于 2016-7-11 21:39:06 | 显示全部楼层
wyl1988 发表于 2016-7-8 08:44
这个图补全吧,要不可能是一些辅助发引起的

这个是比较完整的原理图,分析其中两联就行,主要分析流量分配和压力补偿功能。

多路阀原理图

多路阀原理图
回复

使用道具 举报

发表于 2016-7-14 22:58:07 | 显示全部楼层
这个地方应该是一个堵头,因为跟据不同地方使用的工况不同,有些地方用的阀需要加阻尼孔,但是正好你们这里不要阻尼孔,所以只能把它堵起来了,有挺多阀都有这种情况
回复

使用道具 举报

  • 打卡等级:初来乍到
  • 打卡总天数:45
  • 打卡总奖励:94
发表于 2016-7-20 22:24:16 | 显示全部楼层
同意5#楼的意见,确实是这样
回复

使用道具 举报

您需要登录后才可以回帖 登录 | 立即注册

本版积分规则