搜索
汉力达液压金币充值官方微信群液压资料下载
查看: 5559|回复: 4

关于液压马达当做泵使用,新人求助,液压大神看过来。

  [复制链接]
发表于 2016-7-26 18:59:26 | 显示全部楼层 |阅读模式
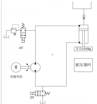
现在单位的一位教授想对一个开式系统进行改造,设想的方案是,通过一个伺服电机带动一个定量,然后这个泵目前所要求的参数有:排量250ml/r,最大转速1500以上,压力10-16Mpa。方案的简图如下图,油缸的工况有:
1、靠压头的自重下落,此时通过电机带动泵往油缸的无杆腔供油,由于有杆腔油液不够,上腔行程负压,顶部充液阀打开补油;
2、烟叶被压缩后阻力大于等于压头自重,上腔变为正压,2DT得电,通过泵自吸补油,此时油缸的速度相较于自重下落阶段变慢;
3、负载压力增加到一定程度,电机转速降低,变成慢压,还是通过泵的自吸补油;
4、保压之后1DT接通,电机反转,无杆腔多余油液通过溢流阀溢流;
现在的问题是,找不到这种双向旋转并且能满足自吸要求的泵,力士乐的双向柱塞泵要求有最低压力,无法从邮箱吸油。然后现在是想能不能找到满足这种要求的马达,将马达作为泵来使用。力士乐的A4FM马达官方样册上面没有对其工作油路的最低压力做规定,作为泵来使用是否能满足自吸得要求?希望有大神能回答。然后力士乐的MV015叶片马达是否可行?

原理图简图

原理图简图
发表于 2016-7-27 01:07:30 | 显示全部楼层
本帖最后由 十年误国 于 2016-7-27 01:13 编辑

也就是非工进靠重力下落,工进靠泵干。而且连油箱也不要了,下落时下腔就是油箱,反转时上腔是油箱。因为正反转频率高,所以用伺服电机。

教授是为了简化这样闹?哪找这样的泵去,还油马达,油马达是被油驱的,而不是驱油的,搞清概念。再说你们哪里简化了?下图我设计的——比比?我也是伺服电机,不要溢流阀。下图的截止阀多余,因为电液阀两头可以加顶杆调速。



回复

使用道具 举报

 楼主| 发表于 2016-7-27 09:14:13 来自手机 | 显示全部楼层
确实有把马达作为泵来使用的,就是把电机与马达的输出轴通过联轴器连起来,然后用电机驱动马达,将马达作为泵来使用,但是就是不知道对吸油压力有没有规定。parker公司的官方样册上,对于有些马达作为泵工况使用时还专门做了一些技术说明。另外,谢谢您的指导,我会将您的想法和教授沟通一下。
回复

使用道具 举报

  • 打卡等级:无名新人
  • 打卡总天数:5
  • 打卡总奖励:6
发表于 2016-7-27 09:22:31 | 显示全部楼层
推荐PARKER F11或F12系列马达,泵,马达通用
回复

使用道具 举报

发表于 2016-7-27 10:46:48 | 显示全部楼层
可以用内啮合齿轮泵,可以正反转,可以低俗到20转。
纯粹靠伺服电机控制压力和流量,不用那两个换向阀。系统正常不溢流,只做安全保护用。用一个高置的油箱。

有个折弯机厂家就是用的类似系统。
回复

使用道具 举报

您需要登录后才可以回帖 登录 | 立即注册

本版积分规则