- 积分
- 11
- 注册时间
- 2016-8-10
- 最后登录
- 1970-1-1
- 打卡等级:无名新人
- 打卡总天数:4
- 打卡总奖励:15
|

楼主 |
发表于 2016-8-12 17:05:24
|
显示全部楼层
本帖最后由 autocad13 于 2016-8-12 17:08 编辑
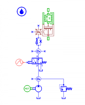
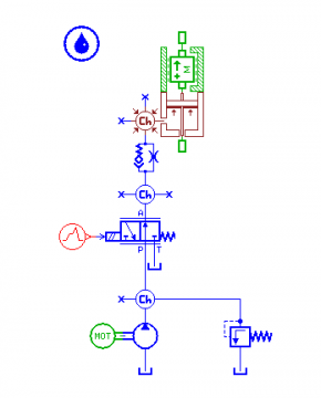
我瞎画了一下,应该是错误的,模拟的时候显示 Warning in BAS12 instance 1, Chamber length is too large for the submodel to remain relevant
不知道该怎么弄,油路是用来机床配重的,我的想法是机床上使用单作用油缸来平衡质量块的重量的,设置工作时质量块是以恒定的速度进行上下运动,事先已经选定电机油泵和溢流阀,想确定一下系统的稳定性和各位置的油压情况
不知道该怎么设置
|
|