搜索
汉力达液压金币充值官方微信群液压资料下载
查看: 4866|回复: 9

力士乐145变量泵改造

[复制链接]
  • 打卡等级:无名新人
  • 打卡总天数:28
  • 打卡总奖励:168
发表于 2016-8-15 10:35:04 | 显示全部楼层 |阅读模式
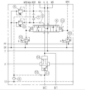
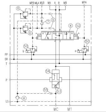
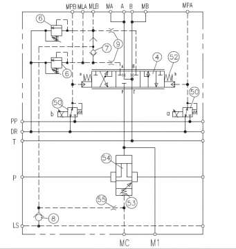
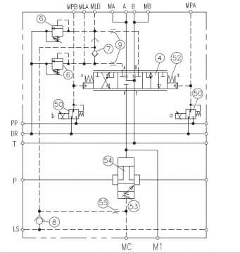
请教大家一下,将力士乐145恒功率变量(带压力切断和负载敏感机能)改成远程压力调节的泵,怎样改造比较好,附件中是我这边的该法,改过以后通过试验无法控制出口压力。请高手解决!

力士乐145变量泵改造

力士乐145变量泵改造

泵站改造.pdf

29.33 KB, 下载次数: 53

售价: 5 金钱  [记录]  [购买]

力士乐145变量泵改造

  • 打卡等级:无名新人
  • 打卡总天数:28
  • 打卡总奖励:168
 楼主| 发表于 2016-8-15 10:37:11 | 显示全部楼层
请大家看PDF文件,图片是不对的
回复

使用道具 举报

  • 打卡等级:论坛老炮
  • 打卡总天数:970
  • 打卡总奖励:2845
发表于 2016-8-15 17:03:17 | 显示全部楼层
溢流阀出口去推伺服油缸不对的吧
回复

使用道具 举报

  • 打卡等级:无名新人
  • 打卡总天数:28
  • 打卡总奖励:168
 楼主| 发表于 2016-8-15 19:40:32 | 显示全部楼层
dirk 发表于 2016-8-15 17:03
溢流阀出口去推伺服油缸不对的吧

上面的图片,我放错了,请看pdf文件
回复

使用道具 举报

  • 打卡等级:论坛老炮
  • 打卡总天数:1305
  • 打卡总奖励:4125
发表于 2016-8-15 21:57:52 | 显示全部楼层
非得改吗?怀疑这个泵有没有这个功能
回复

使用道具 举报

  • 打卡等级:无名新人
  • 打卡总天数:28
  • 打卡总奖励:168
 楼主| 发表于 2016-8-15 22:08:05 | 显示全部楼层
aliolion 发表于 2016-8-15 21:57
非得改吗?怀疑这个泵有没有这个功能

这泵控是lrds,原理上应该可以改成drg形式的。
回复

使用道具 举报

  • 打卡等级:无名新人
  • 打卡总天数:28
  • 打卡总奖励:168
 楼主| 发表于 2016-8-15 22:09:57 | 显示全部楼层
aliolion 发表于 2016-8-15 21:57
非得改吗?怀疑这个泵有没有这个功能

我的pdf文件中有改发,原理上我感觉没问题,但是试验泵出口压力控制不住了

回复

使用道具 举报

  • 打卡等级:论坛老炮
  • 打卡总天数:970
  • 打卡总奖励:2845
发表于 2016-8-16 12:16:33 | 显示全部楼层
Arven113 发表于 2016-8-15 19:40
上面的图片,我放错了,请看pdf文件

我说的就是那个PDF格式的,溢流阀出口接的私服腔,很好改的其实,在泵LS口前加一个0.8的节流口,节流口之前旁通一个溢流阀
回复

使用道具 举报

发表于 2016-8-17 08:06:30 | 显示全部楼层
为什么要该呢DFFFFFF
回复

使用道具 举报

  • 打卡等级:无名新人
  • 打卡总天数:28
  • 打卡总奖励:168
 楼主| 发表于 2016-8-18 13:04:33 | 显示全部楼层
dirk 发表于 2016-8-16 12:16
我说的就是那个PDF格式的,溢流阀出口接的私服腔,很好改的其实,在泵LS口前加一个0.8的节流口,节流口之 ...

可以确定是0.8mm的节流口吗?
回复

使用道具 举报

您需要登录后才可以回帖 登录 | 立即注册

本版积分规则