搜索
金币充值液压资料下载官方微信群
查看: 5912|回复: 3

力士乐A11VO145泵改造

[复制链接]
  • 打卡等级:无名新人
  • 打卡总天数:28
  • 打卡总奖励:168
发表于 2016-8-15 10:44:37 | 显示全部楼层 |阅读模式
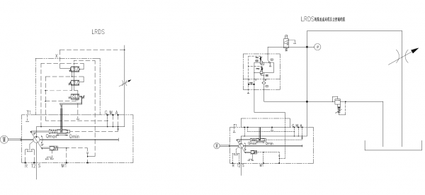
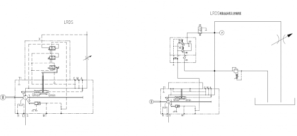
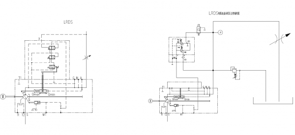
请教大家一下,将力士乐A11VO145恒功率变量(带压力切断和负载敏感机能LRDS)改成远程压力调节的泵(DRG),怎样改造比较好,附件中是我这边的改法,改过以后通过试验无法控制出口压力。还请大家看看有没什么问题。

力士乐A11VO145泵改造

力士乐A11VO145泵改造


泵站改造.pdf

29.33 KB, 下载次数: 40

售价: 5 金钱  [记录]

力士乐A11VO145泵改造

  • 打卡等级:初来乍到
  • 打卡总天数:46
  • 打卡总奖励:95
发表于 2016-8-19 22:16:49 | 显示全部楼层
应该不行吧?恒功率的变量机构要伸到这个泵的控制块里面。
回复

使用道具 举报

  • 打卡等级:偶尔看看
  • 打卡总天数:78
  • 打卡总奖励:362
发表于 2016-8-20 17:56:24 | 显示全部楼层
楼主改造原理上有些问题,只控制大活塞腔压力是不能对泵的出口进行有效控制的,而且你把问题搞复杂化了。
在左边原理图基础上,只需取消节流阀,换个阀芯,并在X口接上压力控制阀即可。恒功率如果不用,调高一点限制其作用就行。
如果自行改有困难可联系我,能提供改好的产品,今年我们给客户供过145DRG泵。
回复

使用道具 举报

  • 打卡等级:初来乍到
  • 打卡总天数:46
  • 打卡总奖励:95
发表于 2016-8-20 21:01:27 | 显示全部楼层
楼上正解,今天看了下,确实是可以改的。
回复

使用道具 举报

您需要登录后才可以回帖 登录 | 立即注册

本版积分规则