搜索
汉力达液压金币充值官方微信群液压资料下载
查看: 5242|回复: 7

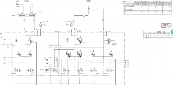
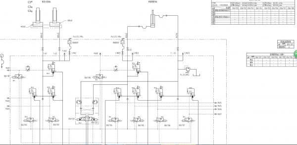
求助下图柱塞缸下降速度慢的原因

[复制链接]
  • 打卡等级:无名新人
  • 打卡总天数:1
  • 打卡总奖励:1
发表于 2016-8-21 23:04:44 | 显示全部楼层 |阅读模式

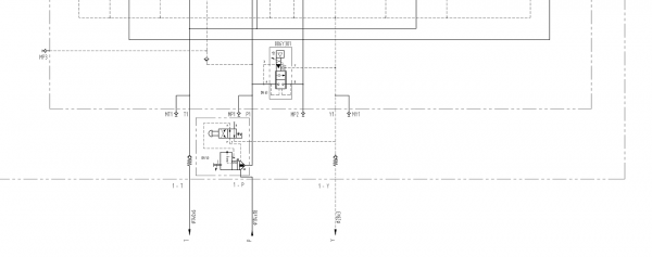
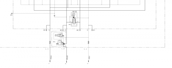
求助下图柱塞缸下降速度慢的原因

求助下图柱塞缸下降速度慢的原因

求助下图柱塞缸下降速度慢的原因

求助下图柱塞缸下降速度慢的原因

回油插装阀已调至最大开口度

求助下图柱塞缸下降速度慢的原因

求助下图柱塞缸下降速度慢的原因
发表于 2016-8-22 07:27:20 来自手机 | 显示全部楼层
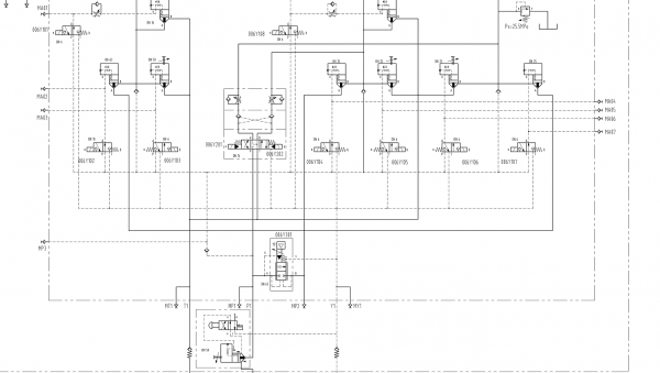
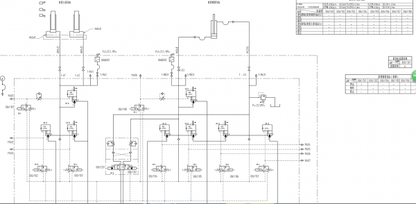
柱塞缸下降依靠重力,图并不能完全分析出具体原因,要综合分析。(油温,密封安装,导向套,密封盖的公差等)
回复

使用道具 举报

  • 打卡等级:无名新人
  • 打卡总天数:1
  • 打卡总奖励:1
 楼主| 发表于 2016-8-22 07:35:55 | 显示全部楼层
13861358109 发表于 2016-8-22 07:27
柱塞缸下降依靠重力,图并不能完全分析出具体原因,要综合分析。(油温,密封安装,导向套,密封盖的公差等 ...

以前一直是正常的,就昨天开始出现的
回复

使用道具 举报

发表于 2016-8-22 07:42:09 来自手机 | 显示全部楼层
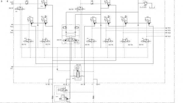
查查有杆腔的进油压力,溢流阀看一下
回复

使用道具 举报

  • 打卡等级:无名新人
  • 打卡总天数:4
  • 打卡总奖励:15
发表于 2016-8-22 08:55:13 | 显示全部楼层
     查看一下  球阀有没有关小
回复

使用道具 举报

  • 打卡等级:初来乍到
  • 打卡总天数:44
  • 打卡总奖励:323
发表于 2016-8-22 09:21:58 | 显示全部楼层
先查106得电情况及其控主阀是否关死。
回复

使用道具 举报

  • 打卡等级:无名新人
  • 打卡总天数:1
  • 打卡总奖励:1
 楼主| 发表于 2016-8-22 11:13:22 | 显示全部楼层
辅剪切缸的作用是在主剪切缸靠自重不能下降时将主剪切缸拉回
回复

使用道具 举报

  • 打卡等级:初来乍到
  • 打卡总天数:44
  • 打卡总奖励:323
发表于 2016-8-23 06:19:41 | 显示全部楼层
回时,103的主控阀调死再松开,看看变化如何。
回复

使用道具 举报

您需要登录后才可以回帖 登录 | 立即注册

本版积分规则