设为首页
收藏本站
所有帖子
关于我们
联系我们
微信群
开启辅助访问
搜索
搜索
本版
用户
门户
Portal
资讯
液压资讯
观点
观点
产品
液压产品
技术
液压技术
合集
导读
Guide
下载
签到
金币
论坛
BBS
登录
立即注册
腾讯QQ
账号
自动登录
找回密码
密码
登录
立即注册
只需一步,快速开始
好友
动态
收藏
分享
帖子
日志
记录
相册
留言板
勋章
任务
道具
设置
退出
液压圈
»
论坛
›
液压系统
›
液压技术
›
液压油缸自动往外伸出,怎么回事?
负载敏感资料下载
|
液压培训资料下载
|
液压样本下载
|
AMESim资料下载
|
力士乐资料下载
|
挖掘机资料下载
|
标准资料下载
|
多路阀资料下载
返回列表
查看:
12777
|
回复:
6
液压油缸自动往外伸出,怎么回事?
[复制链接]
LONG8HUI
LONG8HUI
当前离线
积分
6
注册时间
2016-9-5
最后登录
1970-1-1
IP卡
狗仔卡
发表于 2016-9-5 13:47:41
|
显示全部楼层
|
阅读模式
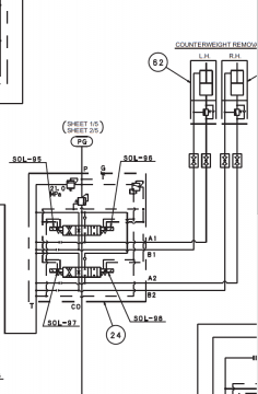
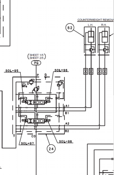
原理图如下
液压油缸自动往外伸出,怎么回事?
两个
油缸
是垂直放置,不使用时全部收回。在机器其他部位工作时,两个油缸会自动伸出,一个礼拜能伸出40cm左右。请问这种情况是怎么回事??
液压油
相关帖子
.
兼职液压油缸设计
.
大连力科石取液压油缸有杆腔正常,无杆腔振动大,请教高手,原因图附后。
.
供应派克移动式滤油小车、在线过滤设备、液压油检测设备
.
各位大侠,液压油温报警用温控开关国内有哪些厂家啊?帮忙推荐几家了,谢谢
.
请教液压油箱底板平面和斜面区别
.
液压油水分传感器
.
求助1个32排量泵控制1个液压油缸和1个液压马达问题。
.
清洗软管
.
液压油的问题
.
amesim中液压油选项
回复
使用道具
举报
提升卡
置顶卡
变色卡
zhanghaibowin
zhanghaibowin
当前离线
积分
522
注册时间
2014-11-17
最后登录
1970-1-1
IP卡
狗仔卡
打卡等级:无名新人
打卡总天数:7
打卡总奖励:8
发表于 2016-9-5 14:52:52
|
显示全部楼层
你这个系统设计的不可避免的会出现这个问题,多路阀中位类似于O型机能,泄漏量最大,P口压力油会一点一点渗到无杆腔推动油缸伸出,不工作的时候平衡阀锁紧缸杆不能回落。。。。这种情况一般都会使用Y型机能的换向阀。。。
回复
使用道具
举报
天涯何处无我
天涯何处无我
当前离线
积分
41
注册时间
2016-8-30
最后登录
1970-1-1
IP卡
狗仔卡
打卡等级:偶尔看看
打卡总天数:137
打卡总奖励:426
发表于 2016-9-5 17:27:15
|
显示全部楼层
主要原因是内泄。
回复
使用道具
举报
trenxim
trenxim
当前离线
积分
190
注册时间
2010-6-22
最后登录
1970-1-1
IP卡
狗仔卡
打卡等级:偶尔看看
打卡总天数:116
打卡总奖励:433
发表于 2016-9-6 17:18:38
|
显示全部楼层
存在内泄漏,但你这也太夸张了吧,
回复
使用道具
举报
chris_wu
chris_wu
当前离线
积分
9
注册时间
2016-9-7
最后登录
1970-1-1
IP卡
狗仔卡
打卡等级:初来乍到
打卡总天数:38
打卡总奖励:107
发表于 2016-9-8 17:03:48
|
显示全部楼层
应该是多路阀內泄导致的,关于多路阀的內泄标准可以参考 JB/T 8729-2013. 依靠控制这种O型机能的多路阀的內泄量很难彻底的解决油缸下降的问题。个人拙见,可以更改多路阀阀体中位机能,或者看看能不能加上球阀进行开关控制。。。
回复
使用道具
举报
duanran
duanran
当前离线
积分
173
注册时间
2016-9-8
最后登录
1970-1-1
IP卡
狗仔卡
打卡等级:即来则安
打卡总天数:220
打卡总奖励:642
发表于 2016-9-8 23:01:18
|
显示全部楼层
多路阀內泄和油缸內泄,任何一个有问题都会导致油缸自动伸出。
回复
使用道具
举报
616025230
616025230
当前离线
积分
23
注册时间
2017-1-14
最后登录
1970-1-1
IP卡
狗仔卡
打卡等级:无名新人
打卡总天数:1
打卡总奖励:5
发表于 2017-1-19 09:33:48
|
显示全部楼层
多路阀管路拆开后运行 观察是否有油溢出。可排除多路阀问题。剩下就是缸内密封圈的问题了
回复
使用道具
举报
返回列表
高级模式
B
Color
Image
Link
Quote
Code
Smilies
您需要登录后才可以回帖
登录
|
立即注册
本版积分规则
发表回复
回帖后跳转到最后一页
浏览过的版块
资料下载
工程机械
快速回复
返回顶部
返回列表