设为首页
收藏本站
所有帖子
关于我们
联系我们
微信群
开启辅助访问
搜索
搜索
本版
用户
门户
Portal
资讯
液压资讯
观点
观点
产品
液压产品
技术
液压技术
合集
导读
Guide
下载
签到
金币
论坛
BBS
登录
立即注册
腾讯QQ
账号
自动登录
找回密码
密码
登录
立即注册
只需一步,快速开始
好友
动态
收藏
分享
帖子
日志
记录
相册
留言板
勋章
任务
道具
设置
退出
液压圈
»
论坛
›
液压系统
›
液压技术
›
谁知道这2油缸如何实现上升和下降
负载敏感资料下载
|
液压培训资料下载
|
液压样本下载
|
AMESim资料下载
|
力士乐资料下载
|
挖掘机资料下载
|
标准资料下载
|
多路阀资料下载
返回列表
查看:
6069
|
回复:
8
谁知道这2油缸如何实现上升和下降
[复制链接]
寒冰霜雾
寒冰霜雾
当前离线
积分
8
注册时间
2016-9-6
最后登录
1970-1-1
IP卡
狗仔卡
打卡等级:无名新人
打卡总天数:2
打卡总奖励:6
发表于 2016-9-6 11:22:59
来自手机
|
显示全部楼层
|
阅读模式
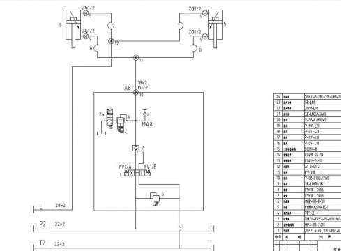
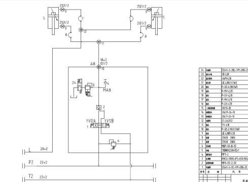
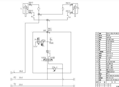
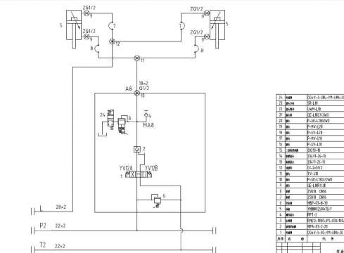
谁知道这2
油缸
如何实现上升和下降
回复
使用道具
举报
提升卡
置顶卡
变色卡
寒冰霜雾
寒冰霜雾
当前离线
积分
8
注册时间
2016-9-6
最后登录
1970-1-1
IP卡
狗仔卡
打卡等级:无名新人
打卡总天数:2
打卡总奖励:6
楼主
|
发表于 2016-9-6 11:24:11
来自手机
|
显示全部楼层
图纸拍照时弄倒过来了
回复
使用道具
举报
高山捷鹰
高山捷鹰
当前离线
积分
94
注册时间
2013-5-28
最后登录
1970-1-1
IP卡
狗仔卡
发表于 2016-9-6 16:23:08
|
显示全部楼层
上升靠油压;下降时靠自重,但需要油压把液控单向阀打开;旁路看不清楚,应该是快速下降用的吧。
回复
使用道具
举报
trenxim
trenxim
当前离线
积分
190
注册时间
2010-6-22
最后登录
1970-1-1
IP卡
狗仔卡
打卡等级:偶尔看看
打卡总天数:116
打卡总奖励:433
发表于 2016-9-6 17:12:07
|
显示全部楼层
很简单的回路,有点类似于柱塞缸的形式,自重下降
回复
使用道具
举报
寒冰霜雾
寒冰霜雾
当前离线
积分
8
注册时间
2016-9-6
最后登录
1970-1-1
IP卡
狗仔卡
打卡等级:无名新人
打卡总天数:2
打卡总奖励:6
楼主
|
发表于 2016-9-6 21:38:19
|
显示全部楼层
全面的图纸上传了
回复
使用道具
举报
寒冰霜雾
寒冰霜雾
当前离线
积分
8
注册时间
2016-9-6
最后登录
1970-1-1
IP卡
狗仔卡
打卡等级:无名新人
打卡总天数:2
打卡总奖励:6
楼主
|
发表于 2016-9-6 21:54:16
来自手机
|
显示全部楼层
谁能说说 手动与自动实现上升下降的 动作过程
回复
使用道具
举报
chris_wu
chris_wu
当前离线
积分
9
注册时间
2016-9-7
最后登录
1970-1-1
IP卡
狗仔卡
打卡等级:初来乍到
打卡总天数:38
打卡总奖励:107
发表于 2016-9-7 15:01:04
|
显示全部楼层
方向阀在左位时,压力油打开液控单向阀,油缸靠自重下降。方向阀在右位时,油缸上升!感觉应该是油缸上升到最高位置后,电池阀24会得电,旁路可以溢流。
回复
使用道具
举报
寒冰霜雾
寒冰霜雾
当前离线
积分
8
注册时间
2016-9-6
最后登录
1970-1-1
IP卡
狗仔卡
打卡等级:无名新人
打卡总天数:2
打卡总奖励:6
楼主
|
发表于 2016-9-7 17:35:59
来自手机
|
显示全部楼层
谢谢!!这也经典的解释
回复
使用道具
举报
duanran
duanran
当前离线
积分
173
注册时间
2016-9-8
最后登录
1970-1-1
IP卡
狗仔卡
打卡等级:即来则安
打卡总天数:220
打卡总奖励:642
发表于 2016-9-8 22:42:09
|
显示全部楼层
很好的回路,具有防抖动设计。
回复
使用道具
举报
返回列表
高级模式
B
Color
Image
Link
Quote
Code
Smilies
您需要登录后才可以回帖
登录
|
立即注册
本版积分规则
发表回复
回帖后跳转到最后一页
浏览过的版块
测试技术
资料下载
快速回复
返回顶部
返回列表