设为首页
收藏本站
所有帖子
关于我们
联系我们
微信群
开启辅助访问
搜索
搜索
本版
用户
门户
Portal
资讯
液压资讯
观点
观点
产品
液压产品
技术
液压技术
合集
导读
Guide
下载
签到
金币
论坛
BBS
登录
立即注册
腾讯QQ
账号
自动登录
找回密码
密码
登录
立即注册
只需一步,快速开始
好友
动态
收藏
分享
帖子
日志
记录
相册
留言板
勋章
任务
道具
设置
退出
液压圈
»
论坛
›
液压系统
›
AMESim
›
求大侠帮忙无法选择子模型
负载敏感资料下载
|
液压培训资料下载
|
液压样本下载
|
AMESim资料下载
|
力士乐资料下载
|
挖掘机资料下载
|
标准资料下载
|
多路阀资料下载
返回列表
查看:
4912
|
回复:
0
求大侠帮忙无法选择子模型
[复制链接]
rendu2mai
rendu2mai
当前离线
积分
11
注册时间
2016-8-25
最后登录
1970-1-1
IP卡
狗仔卡
发表于 2016-9-8 22:36:26
|
显示全部楼层
|
阅读模式
最近做
液压系统
模型的AME+Simulink联仿。
先跟着一篇硕士论文复现他的模型,但是在建模液压系统时,无法选择子模型了。
请问如何是好?
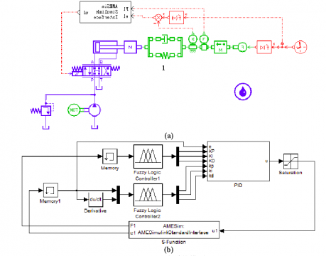
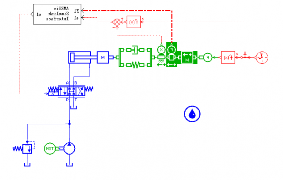
论文中的模型图:
求大侠帮忙无法选择子模型
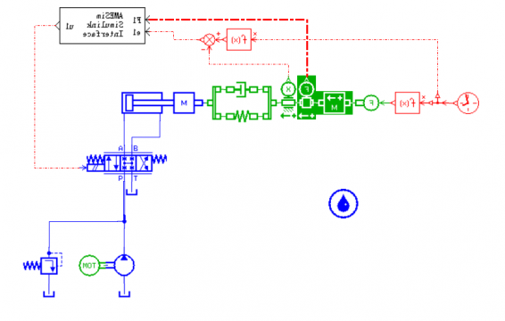
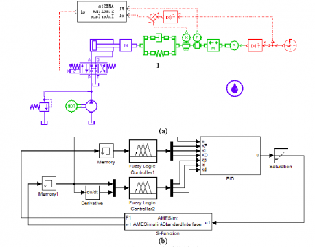
我的建模图:
求大侠帮忙无法选择子模型
反色显示的就是子模型出错的地方,求大侠帮忙
模型
,
论文
,
如何
,
硕士
相关帖子
.
黄山工业泵 HSNH2900螺杆泵 模型
.
分享一款 松下伺服电机模型 型号:MSMF5AZL1C2
.
PRB 25 手动泵 模型
.
外啮合齿轮泵模型
.
HYDAC 贺德克 RFM内置回油过滤器 模型
.
SW管接头模型,需要的自行下载
.
请教关于哈威LHT系列平衡阀开启压力如何计算?
.
急求!!AMESim中deadvolume参数如何设置?
.
请教关于AMESIM液压建模问题
.
AMESim中如何通过改变电流控制电磁线圈以及电磁铁带动活塞运动
回复
使用道具
举报
提升卡
置顶卡
变色卡
返回列表
高级模式
B
Color
Image
Link
Quote
Code
Smilies
您需要登录后才可以回帖
登录
|
立即注册
本版积分规则
发表回复
回帖后跳转到最后一页
浏览过的版块
液压泵马达
插装阀
液压电磁阀
企业名录
故障诊断
资料下载
快速回复
返回顶部
返回列表