设为首页
收藏本站
所有帖子
关于我们
联系我们
微信群
开启辅助访问
搜索
搜索
本版
用户
门户
Portal
资讯
液压资讯
观点
观点
产品
液压产品
技术
液压技术
合集
导读
Guide
下载
签到
金币
论坛
BBS
登录
立即注册
腾讯QQ
账号
自动登录
找回密码
密码
登录
立即注册
只需一步,快速开始
好友
动态
收藏
分享
帖子
日志
记录
相册
留言板
勋章
任务
道具
设置
退出
液压圈
»
论坛
›
液压系统
›
AMESim
›
反馈压力电磁比例阀
负载敏感资料下载
|
液压培训资料下载
|
液压样本下载
|
AMESim资料下载
|
力士乐资料下载
|
挖掘机资料下载
|
标准资料下载
|
多路阀资料下载
返回列表
查看:
3904
|
回复:
1
反馈压力电磁比例阀
[复制链接]
神灵武士
神灵武士
当前离线
积分
69
注册时间
2016-9-18
最后登录
1970-1-1
IP卡
狗仔卡
发表于 2016-9-29 22:32:26
|
显示全部楼层
|
阅读模式
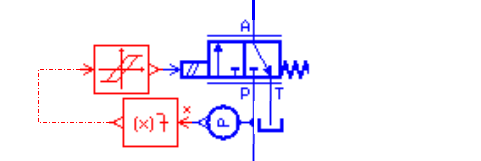
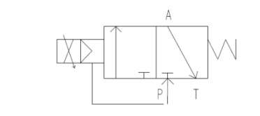
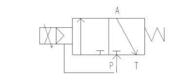
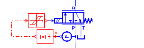
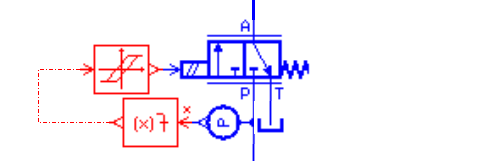
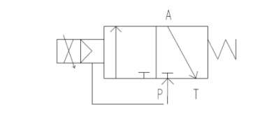
这种反馈压力电磁
比例阀
是什么型号的,在
AMESim
里面有没有,怎么仿真?
反馈压力电磁比例阀
反馈压力电磁比例阀
比例阀
,
型号
相关帖子
.
博世力士乐比例放大器培训手册
.
伊顿比例放大器培训资料
.
HAWE 比例阀线圈 MSM GRFY060F20E 16
.
供应力士乐比例阀,R900731922,4WRKE25E350L-3X/6EG24EK31/A1D3M
.
长期大量采购1QJM01-0.2,价格质量有优势的联系18635063603
.
1QJM01-0.2型号的马达大量采购,1手货源抓紧联系18635063603
.
求助:比例阀伺服阀修复技术协议模版
.
求设计急急急
.
求购WALVOIL,海德福斯,阀块
.
如何用闭环控制实现8油缸协调动作
回复
使用道具
举报
提升卡
置顶卡
变色卡
yiliya
yiliya
当前离线
积分
330
注册时间
2010-8-20
最后登录
1970-1-1
IP卡
狗仔卡
发表于 2016-10-16 11:10:35
|
显示全部楼层
一般这种情况下建议你采用元件功能组合的方式进行搭建。比如你这个压力反馈比例电磁阀,它就是在普通两位三通比例电磁阀的基础之换向方式改成了压力反馈的,所以你就需要增加一个压力传感器测量P口压力然后跟一个值比较,大于就换向,小于就不动,在加上滞环模块。
回复
使用道具
举报
返回列表
高级模式
B
Color
Image
Link
Quote
Code
Smilies
您需要登录后才可以回帖
登录
|
立即注册
本版积分规则
发表回复
回帖后跳转到最后一页
浏览过的版块
液压辅件
液压技术
快速回复
返回顶部
返回列表