搜索
汉力达液压金币充值官方微信群液压资料下载
查看: 5012|回复: 4

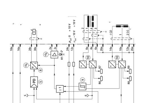
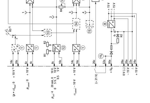
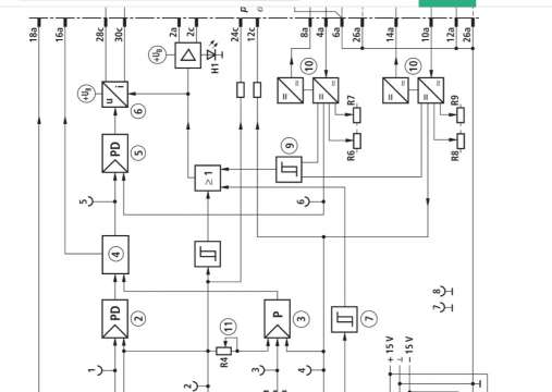
关于VT5041 力土乐 A10VSO的DEF1控制电路

[复制链接]
  • 打卡等级:无名新人
  • 打卡总天数:1
  • 打卡总奖励:1
发表于 2016-10-7 01:30:52 | 显示全部楼层 |阅读模式
大家好 小弟是搞注塑机的也因为注塑而接触到了液压这个大世界
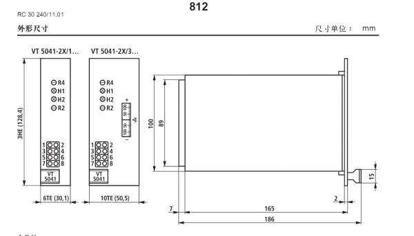
手里有VT5041放大板 这板子能找的的资料少之又少
我很想知道 是不是有了这板子 就能控制A10VSO不论多在的只要是这个天系列的?
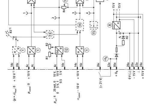
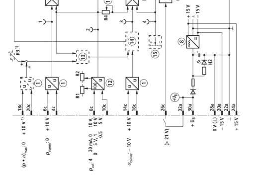
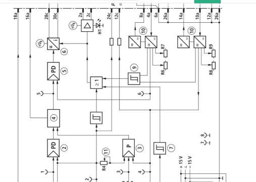
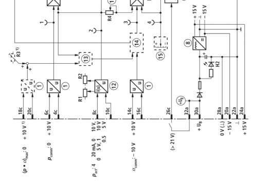
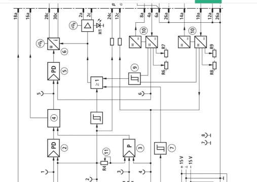
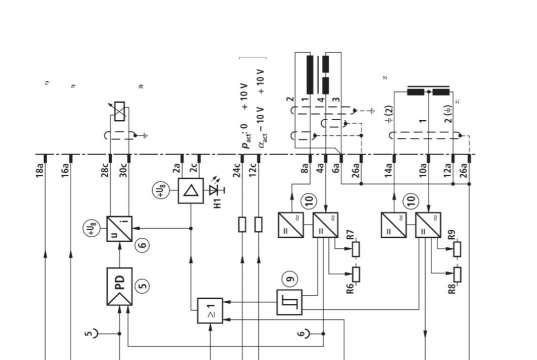
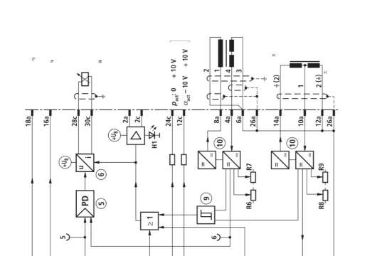
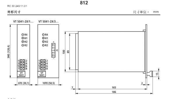
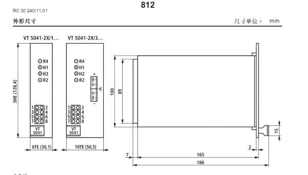
这是网上能找到的PDF
多谢

关于VT5041 力土乐 A10VSO的DEF1控制电路

关于VT5041  力土乐  A10VSO的DEF1控制电路

关于VT5041 力土乐 A10VSO的DEF1控制电路

关于VT5041  力土乐  A10VSO的DEF1控制电路

关于VT5041 力土乐 A10VSO的DEF1控制电路

关于VT5041  力土乐  A10VSO的DEF1控制电路

关于VT5041 力土乐 A10VSO的DEF1控制电路

关于VT5041  力土乐  A10VSO的DEF1控制电路

关于VT5041 力土乐 A10VSO的DEF1控制电路

关于VT5041  力土乐  A10VSO的DEF1控制电路


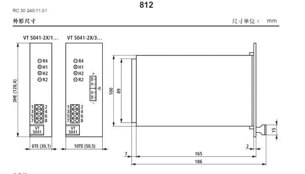
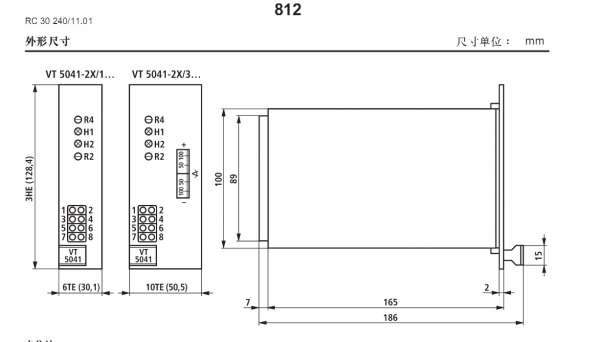
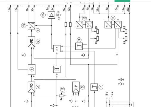
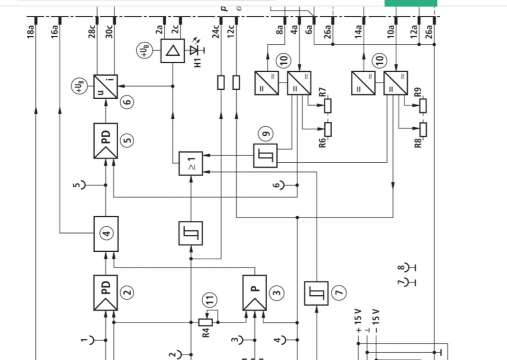
这是我手里的板子

关于VT5041 力土乐 A10VSO的DEF1控制电路

关于VT5041  力土乐  A10VSO的DEF1控制电路

关于VT5041 力土乐 A10VSO的DEF1控制电路

关于VT5041  力土乐  A10VSO的DEF1控制电路

关于VT5041 力土乐 A10VSO的DEF1控制电路

关于VT5041  力土乐  A10VSO的DEF1控制电路

关于VT5041 力土乐 A10VSO的DEF1控制电路

关于VT5041  力土乐  A10VSO的DEF1控制电路

关于VT5041 力土乐 A10VSO的DEF1控制电路

关于VT5041  力土乐  A10VSO的DEF1控制电路

关于VT5041 力土乐 A10VSO的DEF1控制电路

关于VT5041  力土乐  A10VSO的DEF1控制电路

关于VT5041 力土乐 A10VSO的DEF1控制电路

关于VT5041  力土乐  A10VSO的DEF1控制电路


关于VT5041 力土乐 A10VSO的DEF1控制电路

关于VT5041  力土乐  A10VSO的DEF1控制电路

关于VT5041 力土乐 A10VSO的DEF1控制电路

关于VT5041  力土乐  A10VSO的DEF1控制电路

关于VT5041 力土乐 A10VSO的DEF1控制电路

关于VT5041  力土乐  A10VSO的DEF1控制电路

关于VT5041 力土乐 A10VSO的DEF1控制电路

关于VT5041  力土乐  A10VSO的DEF1控制电路

关于VT5041 力土乐 A10VSO的DEF1控制电路

关于VT5041  力土乐  A10VSO的DEF1控制电路

关于VT5041 力土乐 A10VSO的DEF1控制电路

关于VT5041  力土乐  A10VSO的DEF1控制电路

关于VT5041 力土乐 A10VSO的DEF1控制电路

关于VT5041  力土乐  A10VSO的DEF1控制电路

关于VT5041 力土乐 A10VSO的DEF1控制电路

关于VT5041  力土乐  A10VSO的DEF1控制电路

关于VT5041 力土乐 A10VSO的DEF1控制电路

关于VT5041  力土乐  A10VSO的DEF1控制电路

关于VT5041 力土乐 A10VSO的DEF1控制电路

关于VT5041  力土乐  A10VSO的DEF1控制电路

关于VT5041 力土乐 A10VSO的DEF1控制电路

关于VT5041  力土乐  A10VSO的DEF1控制电路
  • 打卡等级:初来乍到
  • 打卡总天数:30
  • 打卡总奖励:74
发表于 2016-10-7 09:17:46 | 显示全部楼层
是的。
回复

使用道具 举报

  • 打卡等级:伴坛终老
  • 打卡总天数:1711
  • 打卡总奖励:5768
发表于 2016-10-8 14:22:24 | 显示全部楼层
注塑机上力士乐电子泵基本上都让伺服泵替换了
回复

使用道具 举报

  • 打卡等级:无名新人
  • 打卡总天数:1
  • 打卡总奖励:1
 楼主| 发表于 2016-10-8 20:55:48 | 显示全部楼层
back2049 发表于 2016-10-8 14:22
注塑机上力士乐电子泵基本上都让伺服泵替换了

谢谢。但伺服也有变量不能比的地方。这个板子用能用于什么系统上??这个是闭环的
回复

使用道具 举报

  • 打卡等级:无名新人
  • 打卡总天数:1
  • 打卡总奖励:1
 楼主| 发表于 2016-10-8 20:59:06 | 显示全部楼层

是不是有了这个板子就能在上位只发出0到10V是电压信号就能控制好变量泵了???
回复

使用道具 举报

您需要登录后才可以回帖 登录 | 立即注册

本版积分规则