设为首页
收藏本站
所有帖子
关于我们
联系我们
微信群
开启辅助访问
搜索
搜索
本版
用户
门户
Portal
资讯
液压资讯
观点
观点
产品
液压产品
技术
液压技术
合集
导读
Guide
下载
签到
金币
论坛
BBS
登录
立即注册
腾讯QQ
账号
自动登录
找回密码
密码
登录
立即注册
只需一步,快速开始
好友
动态
收藏
分享
帖子
日志
记录
相册
留言板
勋章
任务
道具
设置
退出
液压圈
»
论坛
›
液压系统
›
工程机械
›
求大神讲讲变量液压泵工作原理
负载敏感资料下载
|
液压培训资料下载
|
液压样本下载
|
AMESim资料下载
|
力士乐资料下载
|
挖掘机资料下载
|
标准资料下载
|
多路阀资料下载
返回列表
查看:
6676
|
回复:
2
[综合讨论]
求大神讲讲变量液压泵工作原理
[复制链接]
都市流浪汉
都市流浪汉
当前离线
积分
10
注册时间
2012-6-30
最后登录
1970-1-1
IP卡
狗仔卡
发表于 2016-10-21 11:58:50
|
显示全部楼层
|
阅读模式
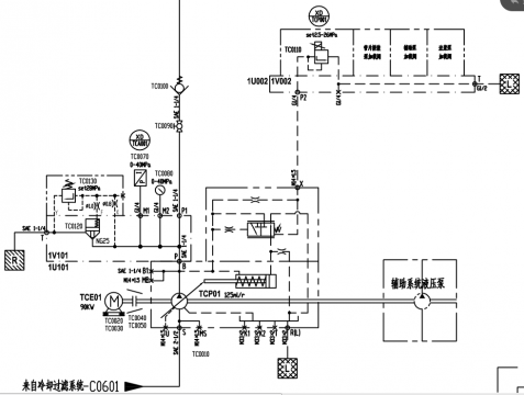
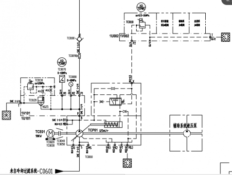
求助: 求大神讲一下这个
泵
的工作原理 越详细越好 谢谢
求大神讲讲变量液压泵工作原理
工作原理
,
液压泵
相关帖子
.
求助元件选型
.
外啮合齿轮泵模型
.
哪个种类的液压泵(滑油泵)工作噪音最小?
.
Parker F11-F12液压泵中文版
.
这是个什么油缸,工作原理
.
想给两个液压泵匹配电机
.
柱塞泵的自吸能力
.
派克液压泵基础培训资料
.
导致液压泵过热的原因有哪些?
.
叶片泵油液吸不上,压力升不起?找出原因排除故障
回复
使用道具
举报
提升卡
置顶卡
变色卡
ledhuo
ledhuo
当前离线
积分
186
注册时间
2015-12-16
最后登录
1970-1-1
IP卡
狗仔卡
打卡等级:初来乍到
打卡总天数:37
打卡总奖励:44
发表于 2016-10-21 18:02:10
|
显示全部楼层
你好,这是负荷传感泵,但是从甭的出油口引出一路油加载到负荷传感油口,现在是恒压定量泵。
回复
使用道具
举报
hyc
hyc
当前离线
积分
83
注册时间
2014-11-16
最后登录
1970-1-1
IP卡
狗仔卡
打卡等级:偶尔看看
打卡总天数:78
打卡总奖励:362
发表于 2016-10-21 23:33:00
|
显示全部楼层
远程压力控制。通过调节比例溢流阀TC0110,可以无级调节泵的恒压变量点。
回复
使用道具
举报
返回列表
高级模式
B
Color
Image
Link
Quote
Code
Smilies
您需要登录后才可以回帖
登录
|
立即注册
本版积分规则
发表回复
回帖后跳转到最后一页
浏览过的版块
液压泵马达
插装阀
快速回复
返回顶部
返回列表