设为首页
收藏本站
所有帖子
关于我们
联系我们
微信群
开启辅助访问
搜索
搜索
本版
用户
门户
Portal
资讯
液压资讯
观点
观点
产品
液压产品
技术
液压技术
合集
导读
Guide
下载
签到
金币
论坛
BBS
登录
立即注册
腾讯QQ
账号
自动登录
找回密码
密码
登录
立即注册
只需一步,快速开始
好友
动态
收藏
分享
帖子
日志
记录
相册
留言板
勋章
任务
道具
设置
退出
液压圈
»
论坛
›
液压系统
›
液压技术
›
请教各位小伙伴
负载敏感资料下载
|
液压培训资料下载
|
液压样本下载
|
AMESim资料下载
|
力士乐资料下载
|
挖掘机资料下载
|
标准资料下载
|
多路阀资料下载
返回列表
查看:
5357
|
回复:
6
请教各位小伙伴
[复制链接]
18616878896
18616878896
当前离线
积分
23
注册时间
2016-7-8
最后登录
1970-1-1
IP卡
狗仔卡
发表于 2016-10-22 19:44:34
|
显示全部楼层
|
阅读模式
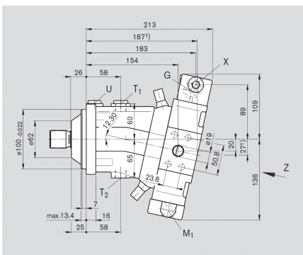
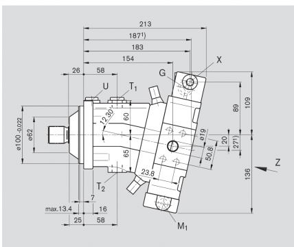
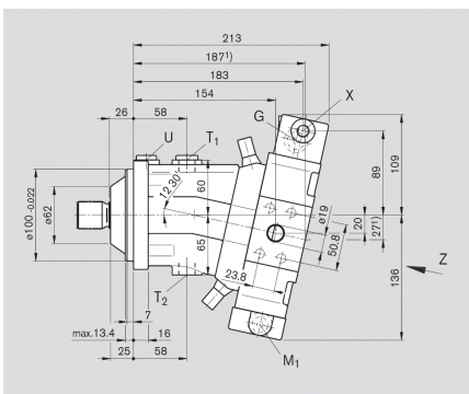
请教一下大家:A6VM200
马达
壳体的角度是多少度!就是说安装面到子口的角度?欢迎大家踊跃回答
回复
使用道具
举报
提升卡
置顶卡
变色卡
kinghowe
kinghowe
当前离线
积分
807
注册时间
2016-4-16
最后登录
1970-1-1
IP卡
狗仔卡
打卡等级:伴坛终老
打卡总天数:2738
打卡总奖励:6141
发表于 2016-10-23 08:34:21
|
显示全部楼层
不做这个,不知道。帮顶。
回复
使用道具
举报
2110801044
2110801044
当前离线
积分
453
注册时间
2010-11-18
最后登录
1970-1-1
IP卡
狗仔卡
打卡等级:以坛为家
打卡总天数:877
打卡总奖励:2047
发表于 2016-10-23 20:56:53
|
显示全部楼层
我也不知道。帮顶一下
回复
使用道具
举报
lygbeyondgod
lygbeyondgod
当前离线
积分
565
注册时间
2015-6-3
最后登录
1970-1-1
IP卡
狗仔卡
打卡等级:常驻居民
打卡总天数:349
打卡总奖励:1339
发表于 2016-10-24 09:18:36
|
显示全部楼层
不知道,帮顶,希望能有大神帮助解释一下
回复
使用道具
举报
roger-zhang
roger-zhang
当前离线
积分
144
注册时间
2012-7-21
最后登录
1970-1-1
IP卡
狗仔卡
打卡等级:偶尔看看
打卡总天数:114
打卡总奖励:360
发表于 2016-10-24 13:39:19
|
显示全部楼层
看看力士乐的样本
回复
使用道具
举报
angelandong
angelandong
当前离线
积分
57
注册时间
2015-10-28
最后登录
1970-1-1
IP卡
狗仔卡
打卡等级:偶尔看看
打卡总天数:144
打卡总奖励:429
发表于 2016-10-25 08:20:36
|
显示全部楼层
不知道是不是你需要的,,,,
回复
使用道具
举报
fredyeah
fredyeah
当前离线
积分
9
注册时间
2016-10-9
最后登录
1970-1-1
IP卡
狗仔卡
打卡等级:初来乍到
打卡总天数:53
打卡总奖励:163
发表于 2016-10-25 13:14:41
|
显示全部楼层
不知道,帮顶,希望能有大神帮助解释一下
回复
使用道具
举报
返回列表
高级模式
B
Color
Image
Link
Quote
Code
Smilies
您需要登录后才可以回帖
登录
|
立即注册
本版积分规则
发表回复
回帖后跳转到最后一页
浏览过的版块
资料下载
企业名录
快速回复
返回顶部
返回列表