设为首页
收藏本站
所有帖子
关于我们
联系我们
微信群
开启辅助访问
搜索
搜索
本版
用户
门户
Portal
资讯
液压资讯
观点
观点
产品
液压产品
技术
液压技术
合集
导读
Guide
下载
签到
金币
论坛
BBS
登录
立即注册
腾讯QQ
账号
自动登录
找回密码
密码
登录
立即注册
只需一步,快速开始
好友
动态
收藏
分享
帖子
日志
记录
相册
留言板
勋章
任务
道具
设置
退出
液压圈
»
论坛
›
液压系统
›
AMESim
›
见图识用
负载敏感资料下载
|
液压培训资料下载
|
液压样本下载
|
AMESim资料下载
|
力士乐资料下载
|
挖掘机资料下载
|
标准资料下载
|
多路阀资料下载
返回列表
查看:
5302
|
回复:
2
见图识用
[复制链接]
再走一_KXw2R
再走一_KXw2R
当前离线
积分
173
注册时间
2016-10-10
最后登录
1970-1-1
IP卡
狗仔卡
打卡等级:无名新人
打卡总天数:9
打卡总奖励:26
发表于 2016-10-31 20:40:05
|
显示全部楼层
|
阅读模式
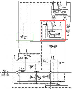
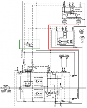
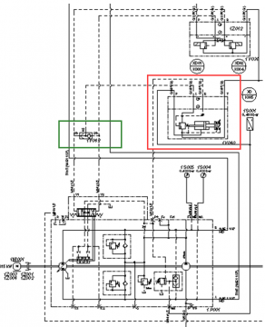
这是螺旋输送机的
液压系统
。
请教各位前辈:红框里的阀和缸做啥用?绿框里的梭阀做啥用?
先谢谢了。
见图识用
回复
使用道具
举报
提升卡
置顶卡
变色卡
duanran
duanran
当前离线
积分
173
注册时间
2016-9-8
最后登录
1970-1-1
IP卡
狗仔卡
打卡等级:即来则安
打卡总天数:220
打卡总奖励:642
发表于 2016-11-1 09:33:07
|
显示全部楼层
此图模糊,绿框里的梭阀使用来采集反馈信号的。
回复
使用道具
举报
dirk
dirk
当前离线
积分
196
注册时间
2015-8-13
最后登录
1970-1-1
IP卡
狗仔卡
打卡等级:论坛老炮
打卡总天数:971
打卡总奖励:2846
发表于 2016-11-3 12:17:38
|
显示全部楼层
感觉像是压力切断,可是泵上又自带有,不明白
回复
使用道具
举报
返回列表
高级模式
B
Color
Image
Link
Quote
Code
Smilies
您需要登录后才可以回帖
登录
|
立即注册
本版积分规则
发表回复
回帖后跳转到最后一页
浏览过的版块
液压技术
快速回复
返回顶部
返回列表