设为首页
收藏本站
所有帖子
关于我们
联系我们
微信群
开启辅助访问
搜索
搜索
本版
用户
门户
Portal
资讯
液压资讯
观点
观点
产品
液压产品
技术
液压技术
合集
导读
Guide
下载
签到
金币
论坛
BBS
登录
立即注册
腾讯QQ
账号
自动登录
找回密码
密码
登录
立即注册
只需一步,快速开始
好友
动态
收藏
分享
帖子
日志
记录
相册
留言板
勋章
任务
道具
设置
退出
液压圈
»
论坛
›
液压元件
›
液压泵马达
›
A8VO
负载敏感资料下载
|
液压培训资料下载
|
液压样本下载
|
AMESim资料下载
|
力士乐资料下载
|
挖掘机资料下载
|
标准资料下载
|
多路阀资料下载
返回列表
查看:
4662
|
回复:
4
A8VO
[复制链接]
拆的
拆的
当前离线
积分
195
注册时间
2016-7-6
最后登录
1970-1-1
IP卡
狗仔卡
发表于 2016-11-14 17:20:09
|
显示全部楼层
|
阅读模式
A8VO
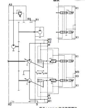
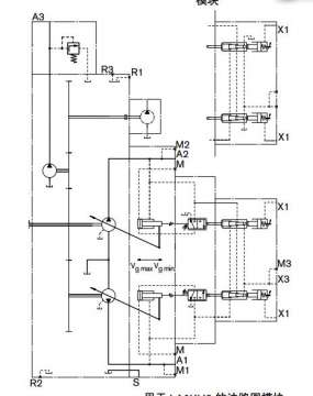
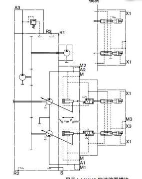
A8VO200LA1Kh2 哪位大神给讲解下原理,各个油口需要接什么 都是做什么用的 非常感谢
回复
使用道具
举报
提升卡
置顶卡
变色卡
拆的
拆的
当前离线
积分
195
注册时间
2016-7-6
最后登录
1970-1-1
IP卡
狗仔卡
楼主
|
发表于 2016-11-15 13:08:19
|
显示全部楼层
顶一下 有人回复吗
回复
使用道具
举报
拆的
拆的
当前离线
积分
195
注册时间
2016-7-6
最后登录
1970-1-1
IP卡
狗仔卡
楼主
|
发表于 2016-11-15 13:18:11
|
显示全部楼层
有人回复吗 有人回复吗
回复
使用道具
举报
童工
童工
当前离线
积分
18
注册时间
2016-12-22
最后登录
1970-1-1
IP卡
狗仔卡
发表于 2016-12-22 22:53:19
来自手机
|
显示全部楼层
a1,a2.压力油口,a3,先导压力源油口。x1,泵的排量控制油口,
回复
使用道具
举报
iRexroth
iRexroth
当前离线
积分
74
注册时间
2013-2-28
最后登录
1970-1-1
IP卡
狗仔卡
打卡等级:初来乍到
打卡总天数:37
打卡总奖励:105
发表于 2016-12-24 10:40:50
|
显示全部楼层
样本上都有的,讲得很仔细
回复
使用道具
举报
返回列表
高级模式
B
Color
Image
Link
Quote
Code
Smilies
您需要登录后才可以回帖
登录
|
立即注册
本版积分规则
发表回复
回帖后跳转到最后一页
浏览过的版块
供求信息
液压技术
伺服控制
故障诊断
快速回复
返回顶部
返回列表