搜索
金币充值液压资料下载官方微信群
查看: 10333|回复: 11

负载敏感恒压泵待机压力过高

[复制链接]
发表于 2016-11-15 21:30:47 | 显示全部楼层 |阅读模式
求教坛内大侠和前辈:
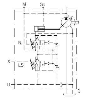
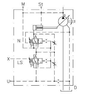
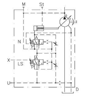
      本人有台油缸试验台系统,油为哈威负载敏感恒压泵,换向阀为O型,原理如附图所示,当换向阀处于中位时,系统压力有10MPa;当换向阀处于左位或右位进行油缸测试憋压时,系统压力有18MPa;请问各位大侠和前辈,换向阀中位时10MPa的压力是如何产生的?如果要减小这个压力应该如何设置比较合适。

 楼主| 发表于 2016-11-15 21:33:40 | 显示全部楼层
添加原理简图如下:
回复

使用道具 举报

  • 打卡等级:论坛老炮
  • 打卡总天数:1256
  • 打卡总奖励:4603
发表于 2016-11-15 22:31:03 | 显示全部楼层
您好,未见得系统原理图。这里有个建议供您参考:侧压点位置?在泵出口能否加个测压点,观察换向阀或者比例阀中位时候系统压力情况。
回复

使用道具 举报

 楼主| 发表于 2016-11-15 22:46:34 | 显示全部楼层
xwy@home 发表于 2016-11-15 22:31
您好,未见得系统原理图。这里有个建议供您参考:侧压点位置?在泵出口能否加个测压点,观察换向阀或者比例 ...

谢谢您的回复和建议,油泵上有接测压点,待机时压力表读数和系统压力表的读数差不多都为10MPa
回复

使用道具 举报

 楼主| 发表于 2016-11-15 22:50:22 | 显示全部楼层
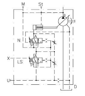
油缸测试的附加原理图
回复

使用道具 举报

  • 打卡等级:偶尔看看
  • 打卡总天数:75
  • 打卡总奖励:167
发表于 2016-11-16 12:32:12 | 显示全部楼层
本帖最后由 zzfjct 于 2016-11-16 20:39 编辑

究竟是负载敏感变量泵还是恒压变量泵?这是2种不同变量形式的泵。负载敏感泵无负载流量时的压力约1.5MPa,不应该有10MPa的;恒压泵无负载流量时的压力为恒压值(最大值),有负载流量时的压力也不可能超过恒压值。
回复

使用道具 举报

  • 打卡等级:无名新人
  • 打卡总天数:7
  • 打卡总奖励:9
发表于 2016-11-16 15:17:02 | 显示全部楼层
如果是恒压变量泵,在阀中位时变量泵应该处于高压待命状态,系统压力应该是18,也不应该是10
回复

使用道具 举报

  • 打卡等级:以坛为家
  • 打卡总天数:817
  • 打卡总奖励:2263
发表于 2016-11-16 15:27:24 | 显示全部楼层
测下反馈油口压力,如果反馈油口压力为0,那很可能是泵的变量机构不能回中位,如果压力接近10MPa,则很可能是阀有问题,压力油从某些地方泄漏到反馈油口了。个人意见,仅供参考。
回复

使用道具 举报

 楼主| 发表于 2016-11-18 13:18:12 | 显示全部楼层
zzfjct 发表于 2016-11-16 12:32
究竟是负载敏感变量泵还是恒压变量泵?这是2种不同变量形式的泵。负载敏感泵无负载流量时的压力约1.5MPa, ...

油泵原理.jpg

油泵

油泵
回复

使用道具 举报

 楼主| 发表于 2016-11-18 13:36:05 | 显示全部楼层
本帖最后由 zxlzxl 于 2016-11-18 21:35 编辑
leeee123 发表于 2016-11-16 15:17
如果是恒压变量泵,在阀中位时变量泵应该处于高压待命状态,系统压力应该是18,也不应该是10

谢谢你的回复 我找到了油泵的样本 待仔细看看
回复

使用道具 举报

您需要登录后才可以回帖 登录 | 立即注册

本版积分规则