设为首页
收藏本站
所有帖子
关于我们
联系我们
微信群
开启辅助访问
搜索
搜索
本版
用户
门户
Portal
资讯
液压资讯
观点
观点
产品
液压产品
技术
液压技术
合集
导读
Guide
下载
签到
金币
论坛
BBS
登录
立即注册
腾讯QQ
账号
自动登录
找回密码
密码
登录
立即注册
只需一步,快速开始
好友
动态
收藏
分享
帖子
日志
记录
相册
留言板
勋章
任务
道具
设置
退出
液压圈
»
论坛
›
液压系统
›
液压技术
›
请各位帮忙看一下这个图纸
负载敏感资料下载
|
液压培训资料下载
|
液压样本下载
|
AMESim资料下载
|
力士乐资料下载
|
挖掘机资料下载
|
标准资料下载
|
多路阀资料下载
返回列表
查看:
3441
|
回复:
6
请各位帮忙看一下这个图纸
[复制链接]
canfeng152
canfeng152
当前离线
积分
6
注册时间
2016-12-11
最后登录
1970-1-1
IP卡
狗仔卡
打卡等级:无名新人
打卡总天数:3
打卡总奖励:7
发表于 2016-12-15 15:45:40
|
显示全部楼层
|
阅读模式
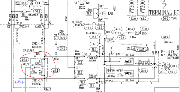
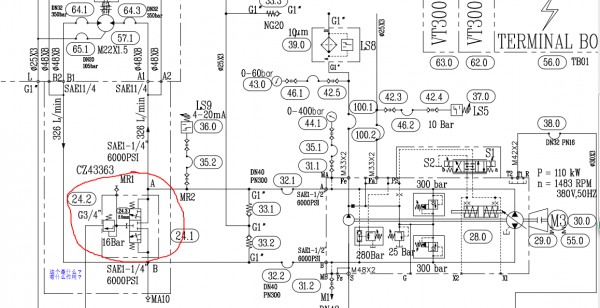
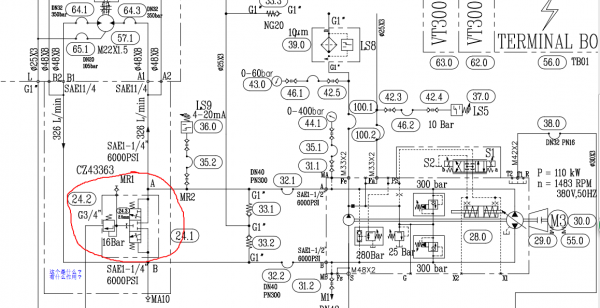
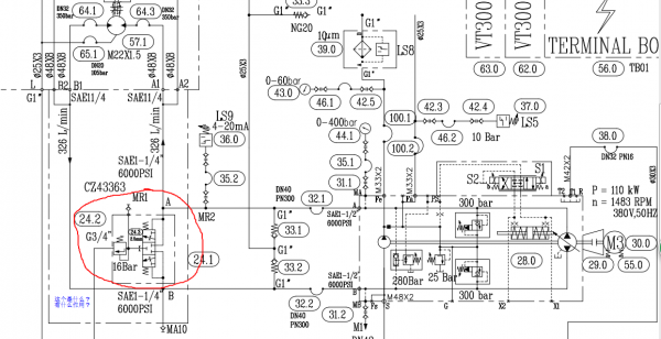
图中红色的部分是什么,起什么功能呢?
请各位帮忙分析一下,我刚接触液压,很多东西不懂,谢谢!
部分液压原理图
回复
使用道具
举报
提升卡
置顶卡
变色卡
液压行走
液压行走
当前离线
积分
127
注册时间
2016-11-11
最后登录
1970-1-1
IP卡
狗仔卡
发表于 2016-12-16 10:10:13
|
显示全部楼层
冲洗阀,马达壳体内的热油由此阀带走。
回复
使用道具
举报
﹏3、哖后°
﹏3、哖后°
当前离线
积分
712
注册时间
2011-7-19
最后登录
1970-1-1
IP卡
狗仔卡
打卡等级:偶尔看看
打卡总天数:99
打卡总奖励:105
发表于 2016-12-16 11:49:19
|
显示全部楼层
冲洗阀
回复
使用道具
举报
﹏3、哖后°
﹏3、哖后°
当前离线
积分
712
注册时间
2011-7-19
最后登录
1970-1-1
IP卡
狗仔卡
打卡等级:偶尔看看
打卡总天数:99
打卡总奖励:105
发表于 2016-12-16 11:49:54
|
显示全部楼层
闭式系统中的冲洗阀
回复
使用道具
举报
液压闲人
液压闲人
当前离线
积分
12
注册时间
2016-8-18
最后登录
1970-1-1
IP卡
狗仔卡
打卡等级:无名新人
打卡总天数:18
打卡总奖励:57
发表于 2016-12-16 20:55:40
|
显示全部楼层
前面三位已经给出了答案。这个在行走机械闭式系统里比较多见。
回复
使用道具
举报
canfeng152
canfeng152
当前离线
积分
6
注册时间
2016-12-11
最后登录
1970-1-1
IP卡
狗仔卡
打卡等级:无名新人
打卡总天数:3
打卡总奖励:7
楼主
|
发表于 2016-12-17 22:38:50
|
显示全部楼层
﹏3、哖后° 发表于 2016-12-16 11:49
冲洗阀
请问冲洗阀和平衡阀怎么区分啊,感觉一样呢?谢谢!
回复
使用道具
举报
﹏3、哖后°
﹏3、哖后°
当前离线
积分
712
注册时间
2011-7-19
最后登录
1970-1-1
IP卡
狗仔卡
打卡等级:偶尔看看
打卡总天数:99
打卡总奖励:105
发表于 2016-12-20 18:01:20
|
显示全部楼层
加2单向阀和溢流阀一边一个
回复
使用道具
举报
返回列表
高级模式
B
Color
Image
Link
Quote
Code
Smilies
您需要登录后才可以回帖
登录
|
立即注册
本版积分规则
发表回复
回帖后跳转到最后一页
浏览过的版块
资料下载
液压泵马达
公告区
液压辅件
伺服控制
液压电磁阀
快速回复
返回顶部
返回列表