设为首页
收藏本站
所有帖子
关于我们
联系我们
微信群
开启辅助访问
搜索
搜索
本版
用户
门户
Portal
资讯
液压资讯
观点
观点
产品
液压产品
技术
液压技术
合集
导读
Guide
下载
签到
金币
论坛
BBS
登录
立即注册
腾讯QQ
账号
自动登录
找回密码
密码
登录
立即注册
只需一步,快速开始
好友
动态
收藏
分享
帖子
日志
记录
相册
留言板
勋章
任务
道具
设置
退出
液压圈
»
论坛
›
液压系统
›
伺服控制
›
液压行走系统控制
负载敏感资料下载
|
液压培训资料下载
|
液压样本下载
|
AMESim资料下载
|
力士乐资料下载
|
挖掘机资料下载
|
标准资料下载
|
多路阀资料下载
返回列表
查看:
4407
|
回复:
3
液压行走系统控制
[复制链接]
yangchao157
yangchao157
当前离线
积分
7
注册时间
2016-12-17
最后登录
1970-1-1
IP卡
狗仔卡
发表于 2016-12-17 18:00:50
|
显示全部楼层
|
阅读模式
本帖最后由 yangchao157 于 2016-12-17 20:30 编辑
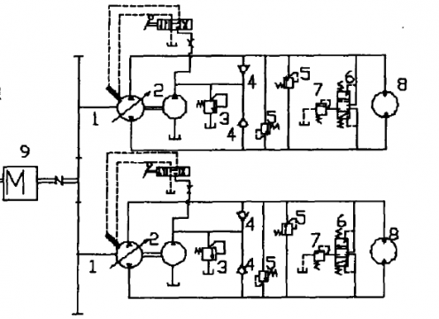
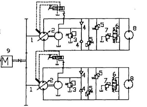
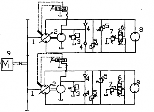
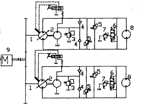
想采用机械结构或某种控制阀对两边回路的换向机构进行统一控制,即可联动实现车辆的前进,后退及相应的速度改变,又可分别动作,实现不同方向的转弯和原地转弯。但是现在这种分开的控制机构觉得没法同时操作到同样的开度以保证直行时的同步性
换向阀
,
马达
,
左右
液压系统
相关帖子
.
丹佛斯H1B马达
.
赫格隆CA70 70 SALN00 02 00马达样本、图纸、及控制阀
.
供应力士乐塑机应用新型换向阀
.
专业生产、维修赫格隆CA系列马达
.
求购二位四通球型换向阀
.
1QJM01-0.2型号的马达大量采购,1手货源抓紧联系18635063603
.
请教各位大师,履带行走采用闭式系统
.
力士乐WH10液控换向阀,怎么安装到集成块上?
.
比例换向阀阀芯问题
.
水液压缸自动换向设计
回复
使用道具
举报
提升卡
置顶卡
变色卡
液压行走
液压行走
当前离线
积分
127
注册时间
2016-11-11
最后登录
1970-1-1
IP卡
狗仔卡
发表于 2016-12-19 09:19:15
|
显示全部楼层
你这是用于履带行走是吧?
回复
使用道具
举报
yangchao157
yangchao157
当前离线
积分
7
注册时间
2016-12-17
最后登录
1970-1-1
IP卡
狗仔卡
楼主
|
发表于 2016-12-20 16:05:48
|
显示全部楼层
是的,我还想问下,如果用一个泵驱动的两个同样的马达串联,分别带一个负载,假设每个马达压差是10Mpa,总压差该怎么计算
回复
使用道具
举报
赵瑞鸿
赵瑞鸿
当前离线
积分
85
注册时间
2010-10-26
最后登录
1970-1-1
IP卡
狗仔卡
发表于 2017-1-24 17:27:08
来自手机
|
显示全部楼层
加我QQ905294212
回复
使用道具
举报
返回列表
高级模式
B
Color
Image
Link
Quote
Code
Smilies
您需要登录后才可以回帖
登录
|
立即注册
本版积分规则
发表回复
回帖后跳转到最后一页
浏览过的版块
液压辅件
AMESim
求职招聘
液压技术
工程机械
液压泵马达
快速回复
返回顶部
返回列表