设为首页
收藏本站
所有帖子
关于我们
联系我们
微信群
开启辅助访问
搜索
搜索
本版
用户
门户
Portal
资讯
液压资讯
观点
观点
产品
液压产品
技术
液压技术
合集
导读
Guide
下载
签到
金币
论坛
BBS
登录
立即注册
腾讯QQ
账号
自动登录
找回密码
密码
登录
立即注册
只需一步,快速开始
好友
动态
收藏
分享
帖子
日志
记录
相册
留言板
勋章
任务
道具
设置
退出
液压圈
»
论坛
›
液压元件
›
液压泵马达
›
林德HMV10502H1马达
负载敏感资料下载
|
液压培训资料下载
|
液压样本下载
|
AMESim资料下载
|
力士乐资料下载
|
挖掘机资料下载
|
标准资料下载
|
多路阀资料下载
返回列表
查看:
3452
|
回复:
3
林德HMV10502H1马达
[复制链接]
拆的
拆的
当前离线
积分
195
注册时间
2016-7-6
最后登录
1970-1-1
IP卡
狗仔卡
发表于 2016-12-18 20:37:00
|
显示全部楼层
|
阅读模式
[img]file:///C:\Users\lenovo\Documents\Tencent Files\1109569862\Image\C2C\)1A]`O8[0{Y53%9IG21EC8A.png[/img]
林德
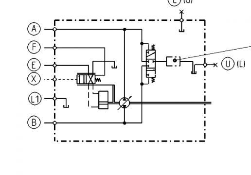
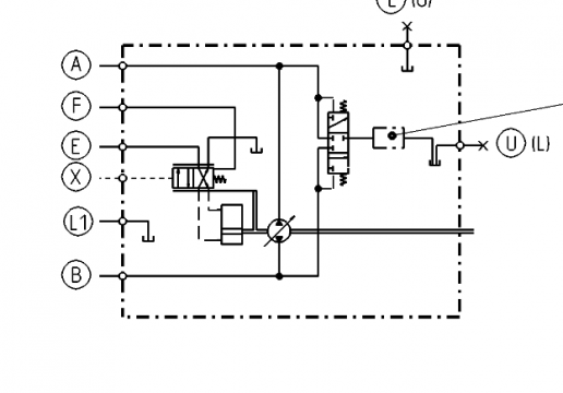
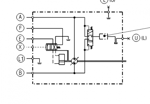
各位 我想知道 E口和X口 在实际使用中怎么用
马达
相关帖子
.
丹佛斯H1B马达
.
赫格隆CA70 70 SALN00 02 00马达样本、图纸、及控制阀
.
专业生产、维修赫格隆CA系列马达
.
1QJM01-0.2型号的马达大量采购,1手货源抓紧联系18635063603
.
请教各位大师,履带行走采用闭式系统
.
有偿求助!关于液压机械无级变速器(HMCVT)建模
.
意大利brevini摆线马达样本
.
谁用过国产A6V的马达,用在卷扬提升上,
.
外五星径向柱塞马达,
.
定量泵风扇驱动系统该如何匹配
回复
使用道具
举报
提升卡
置顶卡
变色卡
zhanghaibowin
zhanghaibowin
当前离线
积分
519
注册时间
2014-11-17
最后登录
1970-1-1
IP卡
狗仔卡
打卡等级:无名新人
打卡总天数:5
打卡总奖励:6
发表于 2016-12-19 07:58:42
|
显示全部楼层
E口通入一个恒定约500psi的压力作为伺服压力.X口通入0-16bar(有效变量范围为8-14bar)的压力用于比例控制变量马达的排量...
回复
使用道具
举报
duanran
duanran
当前离线
积分
173
注册时间
2016-9-8
最后登录
1970-1-1
IP卡
狗仔卡
打卡等级:即来则安
打卡总天数:220
打卡总奖励:642
发表于 2016-12-19 08:21:40
|
显示全部楼层
二楼言简意赅,谢谢解释。
回复
使用道具
举报
ksqbwanmei
ksqbwanmei
当前离线
积分
33
注册时间
2015-8-13
最后登录
1970-1-1
IP卡
狗仔卡
打卡等级:常驻居民
打卡总天数:361
打卡总奖励:1128
发表于 2016-12-19 13:56:29
|
显示全部楼层
E口通入20-40bar压力,稳定伺服变量缸的,必须接入;X口是液控变量用的,根据选型表的起调压力,只要范围覆盖即可,一般不超过20bar
回复
使用道具
举报
返回列表
高级模式
B
Color
Image
Link
Quote
Code
Smilies
您需要登录后才可以回帖
登录
|
立即注册
本版积分规则
发表回复
回帖后跳转到最后一页
浏览过的版块
伺服控制
供求信息
快速回复
返回顶部
返回列表