搜索
汉力达液压金币充值官方微信群液压资料下载
查看: 14428|回复: 28

方案请教

  [复制链接]
  • 打卡等级:偶尔看看
  • 打卡总天数:67
  • 打卡总奖励:209
发表于 2016-12-21 15:36:06 | 显示全部楼层 |阅读模式
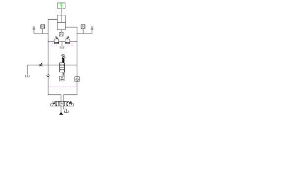
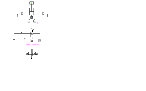
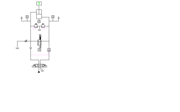
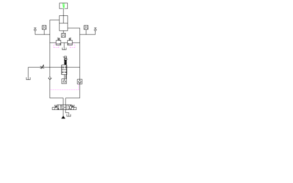
想请教各位一个问题:现在做一个系统,控制液缸垂直方向作上升与下降动作,下降时,要求速度可控,速度控制在1m/s~3m/s。想采用比例阀控制速度。存在一个问题,下降时因为流量很大,最大流量为30000L/min ,满足此规格的阀有,厂家不生产了,只能订做。能不能采用几个小规格的二通插装式比例阀并联使用。谢谢

图1

图1
  • 打卡等级:伴坛终老
  • 打卡总天数:2536
  • 打卡总奖励:6368
发表于 2016-12-21 15:46:42 | 显示全部楼层
我的天  这是哪上面的东西 这么大流量
回复

使用道具 举报

  • 打卡等级:偶尔看看
  • 打卡总天数:67
  • 打卡总奖励:209
 楼主| 发表于 2016-12-21 15:52:08 | 显示全部楼层
卖女孩的火柴 发表于 2016-12-21 15:46
我的天  这是哪上面的东西 这么大流量

钻机。这是一个缸的方案。还有多组缸共同举升负载方案,但是这样多缸方案同步不好解决,故也在做单缸方案
回复

使用道具 举报

  • 打卡等级:无名新人
  • 打卡总天数:5
  • 打卡总奖励:6
发表于 2016-12-21 16:31:49 | 显示全部楼层
哥们,你这个30000L/min的流量确定零的数量是正确的吗?
回复

使用道具 举报

  • 打卡等级:无名新人
  • 打卡总天数:19
  • 打卡总奖励:52
发表于 2016-12-21 16:54:21 | 显示全部楼层
流量太大了,期待做好了,上个图片开开眼
回复

使用道具 举报

  • 打卡等级:无名新人
  • 打卡总天数:4
  • 打卡总奖励:8
发表于 2016-12-21 17:32:15 | 显示全部楼层
如果你说的流量速度没有错的话,你这个单缸的流量不得了,确实没有见识过。期待你做成功过后来图片分享。
回复

使用道具 举报

发表于 2016-12-21 22:46:40 来自手机 | 显示全部楼层
插装阀稍靠上,逻辑插装或比例插装都可考虑!
回复

使用道具 举报

  • 打卡等级:无名新人
  • 打卡总天数:4
  • 打卡总奖励:13
发表于 2016-12-22 11:04:43 | 显示全部楼层
你油缸那就有蛮快了,什么钻机那么快3M/S
回复

使用道具 举报

  • 打卡等级:无名新人
  • 打卡总天数:2
  • 打卡总奖励:3
发表于 2016-12-22 11:16:38 | 显示全部楼层
油缸可否做快速缸?
回复

使用道具 举报

  • 打卡等级:偶尔看看
  • 打卡总天数:67
  • 打卡总奖励:209
 楼主| 发表于 2016-12-22 12:36:18 | 显示全部楼层
zhanghaibowin 发表于 2016-12-21 16:31
哥们,你这个30000L/min的流量确定零的数量是正确的吗?

没错。单缸方案,一个缸内径660,下降时要求达到3m/s,因为我们采用动滑轮方案,速度减半1.5m/s。下降时最大通流量30000L/min。
回复

使用道具 举报

您需要登录后才可以回帖 登录 | 立即注册

本版积分规则