设为首页
收藏本站
所有帖子
关于我们
联系我们
微信群
开启辅助访问
搜索
搜索
本版
用户
门户
Portal
资讯
液压资讯
观点
观点
产品
液压产品
技术
液压技术
合集
导读
Guide
下载
签到
金币
论坛
BBS
登录
立即注册
腾讯QQ
账号
自动登录
找回密码
密码
登录
立即注册
只需一步,快速开始
我的
日志
记录
收藏
勋章
任务
道具
动态
设置
退出
液压圈
»
论坛
›
液压系统
›
AMESim
›
仿真中有段虚线不知道怎么画,怎么添加? ...
负载敏感资料下载
|
液压培训资料下载
|
液压样本下载
|
AMESim资料下载
|
力士乐资料下载
|
挖掘机资料下载
|
标准资料下载
|
多路阀资料下载
返回列表
查看:
4129
|
回复:
2
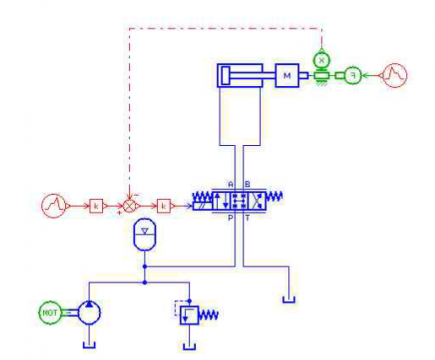
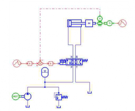
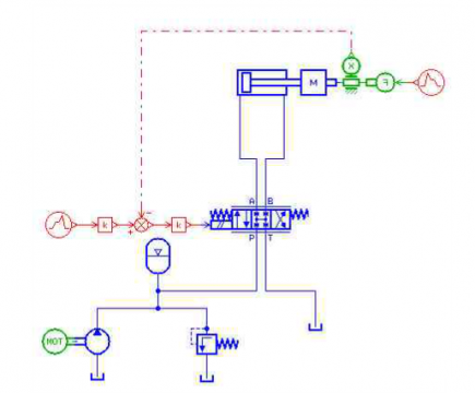
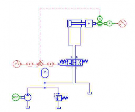
仿真中有段虚线不知道怎么画,怎么添加?
[复制链接]
液压小当家
液压小当家
当前离线
积分
18
注册时间
2016-12-26
最后登录
1970-1-1
IP卡
狗仔卡
打卡等级:无名新人
打卡总天数:3
打卡总奖励:11
发表于 2017-1-3 16:40:10
|
显示全部楼层
|
阅读模式
爱的色放
回复
使用道具
举报
提升卡
置顶卡
变色卡
azky100
azky100
当前离线
积分
15
注册时间
2016-10-17
最后登录
1970-1-1
IP卡
狗仔卡
打卡等级:无名新人
打卡总天数:1
打卡总奖励:4
发表于 2017-1-8 23:39:51
|
显示全部楼层
这是信号连接线,自动就这样
回复
使用道具
举报
液压小当家
液压小当家
当前离线
积分
18
注册时间
2016-12-26
最后登录
1970-1-1
IP卡
狗仔卡
打卡等级:无名新人
打卡总天数:3
打卡总奖励:11
楼主
|
发表于 2017-1-9 15:11:01
|
显示全部楼层
不懂,模拟的时候自动出现虚线?
回复
使用道具
举报
返回列表
高级模式
B
Color
Image
Link
Quote
Code
Smilies
您需要登录后才可以回帖
登录
|
立即注册
本版积分规则
发表回复
回帖后跳转到最后一页
浏览过的版块
液压油缸
液压多路阀
插装阀
液压技术
资料下载
快速回复
返回顶部
返回列表