搜索
汉力达液压金币充值官方微信群液压资料下载
查看: 5902|回复: 9

哈威柱塞泵V30D-75-RDN/LLSN

[复制链接]
发表于 2017-1-4 08:16:26 | 显示全部楼层 |阅读模式


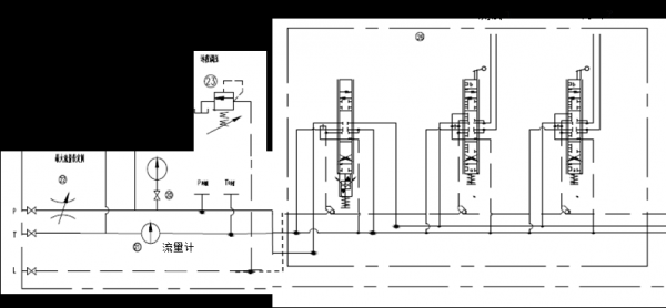
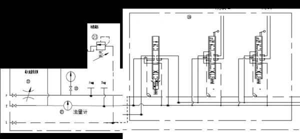
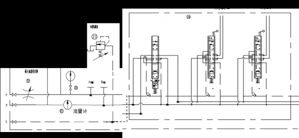
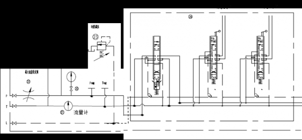
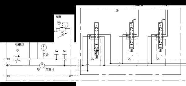
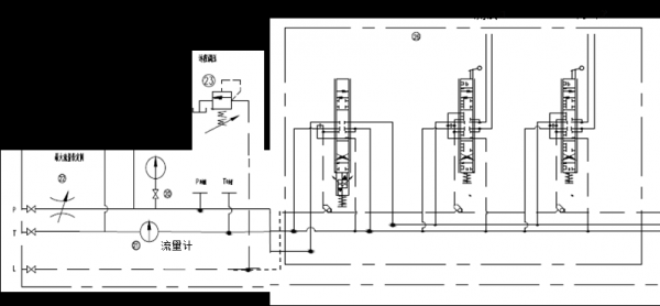
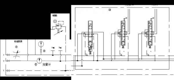
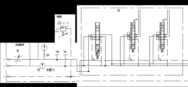
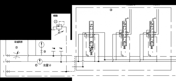
哈威柱塞V30D-75-RDN/LLSN负载敏感,恒功率泵,最大排量75ml/r,转速1450r/min。驱动电机为1470r/min恒转速,原理比较简单,油路如下:
油泵-----流量调节阀(不带压力补偿)-------哈威多路换向阀-------执行机构(油缸-----流量计------油箱。
系统的远程压力调节阀在LS油路上,除此之外没有其他溢流阀,压力表在流量调节阀之后。
空载时,经一片多路阀直接回油箱,调节流量阀到60L/min,此时压力表为3MPa   将系统压力设定为18MPa
然后加载测试(油缸从有杆腔进油,无杆腔回油)流量计读数最多40L/min,压力表为18MPa(负载实际只有10MPa)。远程调压阀的回油管温热,请问系统压力为何会升高至18MPa









哈威柱塞泵V30D-75-RDN/LLSN

哈威柱塞泵V30D-75-RDN/LLSN
 楼主| 发表于 2017-1-4 09:39:13 | 显示全部楼层
请路过的大师能否指点一二 感激不尽
回复

使用道具 举报

  • 打卡等级:无名新人
  • 打卡总天数:5
  • 打卡总奖励:6
发表于 2017-1-4 15:05:37 | 显示全部楼层
哥们,把您的原理图好好整理一下,多路阀前的P/T/L管线与多路阀的管线对应不起来....
回复

使用道具 举报

 楼主| 发表于 2017-1-5 08:28:00 | 显示全部楼层
这是更新后的原理图

回复

使用道具 举报

 楼主| 发表于 2017-1-5 08:30:02 | 显示全部楼层
zhanghaibowin 发表于 2017-1-4 15:05
哥们,把您的原理图好好整理一下,多路阀前的P/T/L管线与多路阀的管线对应不起来....

恩 图片上确实不清楚 我重新更新了原理图
回复

使用道具 举报

  • 打卡等级:无名新人
  • 打卡总天数:5
  • 打卡总奖励:6
发表于 2017-1-6 11:12:02 | 显示全部楼层
zxlzxl 发表于 2017-1-5 08:30
恩 图片上确实不清楚 我重新更新了原理图

我分析了一下,系统卸荷的时候,压力表显示为3MPa,这个压力是第一联多路阀卸荷时产生的压力损失。当油缸动作时,负载只有10MPa,而压力表显示18MPa,那说明在压力表和驱动油缸的多路阀中间有18-10=8MPa的节流损失,而且油缸有杆腔进油,无杆腔回油,正常在面积差的作用下应该有一个流量增加才对,可是实际测量的回油流量小于节流阀设定的流量值,也就意味着节流阀没起作用,那最大可能的产生节流作用的就是你的第一联多路阀,而且我发现这一联多路阀是比例控制开度的,所以你我认为百分之九十九的可能是当油缸动作时,第一联的比例多路阀输入电信号过小导致严重的节流现象。。。。(以上分析是基于控制油缸多路阀节)
回复

使用道具 举报

  • 打卡等级:无名新人
  • 打卡总天数:5
  • 打卡总奖励:6
发表于 2017-1-6 11:14:29 | 显示全部楼层
zhanghaibowin 发表于 2017-1-6 11:12
我分析了一下,系统卸荷的时候,压力表显示为3MPa,这个压力是第一联多路阀卸荷时产生的压力损失。当油缸 ...

以上分析已经忽略了控制油缸多路阀的节流损失。提高第一联多路阀的输入电信号大小,增加第一联多路阀的通流量,问题可以解决。。。。
回复

使用道具 举报

  • 打卡等级:无名新人
  • 打卡总天数:5
  • 打卡总奖励:6
发表于 2017-1-6 11:26:28 | 显示全部楼层
zhanghaibowin 发表于 2017-1-6 11:14
以上分析已经忽略了控制油缸多路阀的节流损失。提高第一联多路阀的输入电信号大小,增加第一联多路阀的通 ...

还有一个问题,第一联多路阀在卸荷的时候,节流压损达到3MPa,也太大了,不知道是你第一联多路阀通径太小,还是比例电信号输入太小。功率损失太严重了。。。。。
回复

使用道具 举报

 楼主| 发表于 2017-1-9 09:40:02 | 显示全部楼层
zhanghaibowin 发表于 2017-1-6 11:12
我分析了一下,系统卸荷的时候,压力表显示为3MPa,这个压力是第一联多路阀卸荷时产生的压力损失。当油缸 ...

谢谢 原理图上第一联多路阀的规格是38L 40/80/EA,油缸多路阀规格是41L 80/80/A  所以当油缸动作时,第一联的多路阀的流量规格是否偏小所以导致压力损失比较大。
回复

使用道具 举报

  • 打卡等级:无名新人
  • 打卡总天数:5
  • 打卡总奖励:6
发表于 2017-1-9 10:34:09 | 显示全部楼层
zxlzxl 发表于 2017-1-9 09:40
谢谢 原理图上第一联多路阀的规格是38L 40/80/EA,油缸多路阀规格是41L 80/80/A  所以当油缸动作时,第一 ...

老弟:之前我给您分析的一系列内容已经包含了所有的问题原因和解决方案,我又看了一下您之前发的贴子,又进一步认证了我分析的正确性。建议您先仔细看一看我分析的结果。如果有啥疑问直接打电话给我吧!15865604455!
回复

使用道具 举报

您需要登录后才可以回帖 登录 | 立即注册

本版积分规则