搜索
汉力达液压金币充值官方微信群液压资料下载
查看: 5490|回复: 3

请教如何油缸活塞杆一个速度信号

[复制链接]
  • 打卡等级:即来则安
  • 打卡总天数:263
  • 打卡总奖励:291
发表于 2017-3-31 08:45:54 | 显示全部楼层 |阅读模式
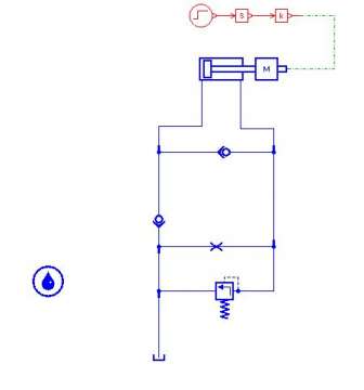
各位朋友们,小弟仿真一个减震器,想给油缸活塞杆一个速度信号,有几个问题想请教大家。
下面图中油缸带质量M,其信号是不是表示M端口只能力输入,速度加速度位移输出?
如果只能是力输入我是不是可以先用一个信号微分得到加速度然后再乘以比例系数(质量)得到一个力,这个力再传递给油缸的质量块?这个理论上跟速度直接加在油缸上是一样的吗?
谢谢各位大神。

请教如何油缸活塞杆一个速度信号

请教如何油缸活塞杆一个速度信号

油缸带质量块

油缸带质量块

加上信号后的

加上信号后的
发表于 2017-3-31 20:11:41 | 显示全部楼层
第一个问题,带质量的液压缸只能加力,第二个问题,建议你用一个弹簧质量模块跟液压缸相连。查看一下Amesim里面的demo 里面有一个完整的例子

回复

使用道具 举报

  • 打卡等级:即来则安
  • 打卡总天数:263
  • 打卡总奖励:291
 楼主| 发表于 2017-4-1 08:13:09 | 显示全部楼层
yiliya 发表于 2017-3-31 20:11
第一个问题,带质量的液压缸只能加力,第二个问题,建议你用一个弹簧质量模块跟液压缸相连。查看一下Amesim ...

谢谢版主。多谢多谢
回复

使用道具 举报

  • 打卡等级:偶尔看看
  • 打卡总天数:115
  • 打卡总奖励:349
发表于 2017-4-5 10:23:01 | 显示全部楼层
不错,学习了。还要许多不知道的地方啊。看着简单,连起来难啊
回复

使用道具 举报

您需要登录后才可以回帖 登录 | 立即注册

本版积分规则