设为首页
收藏本站
所有帖子
关于我们
联系我们
微信群
开启辅助访问
搜索
搜索
本版
用户
门户
Portal
资讯
液压资讯
观点
观点
产品
液压产品
技术
液压技术
合集
导读
Guide
下载
签到
金币
论坛
BBS
登录
立即注册
腾讯QQ
账号
自动登录
找回密码
密码
登录
立即注册
只需一步,快速开始
好友
动态
收藏
分享
帖子
日志
记录
相册
留言板
勋章
任务
道具
设置
退出
液压圈
»
论坛
›
液压系统
›
工程机械
›
无源负载模拟
负载敏感资料下载
|
液压培训资料下载
|
液压样本下载
|
AMESim资料下载
|
力士乐资料下载
|
挖掘机资料下载
|
标准资料下载
|
多路阀资料下载
返回列表
查看:
4248
|
回复:
3
[综合讨论]
无源负载模拟
[复制链接]
sparklefly
sparklefly
当前离线
积分
11
注册时间
2011-8-12
最后登录
1970-1-1
IP卡
狗仔卡
发表于 2017-4-18 17:19:22
|
显示全部楼层
|
阅读模式
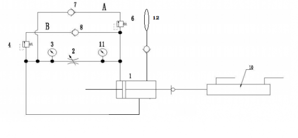
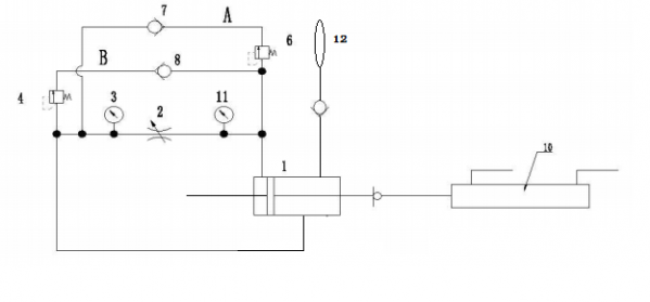
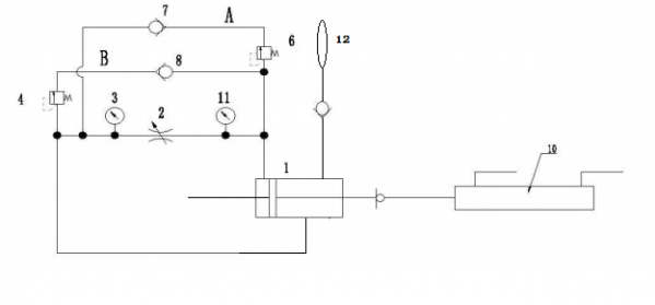
液压小白一名,刚接触液压。现需要设计一套液压被动负载系统,需满足拉压两类载荷要求,不想用有源方式,尽管精度更高,请教大家:
我的思路如下:
工作件10压缩
油缸
时,通过节流阀2,溢流阀6,单向阀7作用,工作件10拉伸时,通过节流阀2,溢流阀4,单向阀8作用。发生漏油时通过蓄能器12补偿,该系统是否可以实现。
该方式是否合理,如果不合理,大家有啥合理建议,谢谢大家帮助。
无源负载模拟
回复
使用道具
举报
提升卡
置顶卡
变色卡
我爱液压yeyeye
我爱液压yeyeye
当前离线
积分
71
注册时间
2014-11-25
最后登录
1970-1-1
IP卡
狗仔卡
打卡等级:无名新人
打卡总天数:17
打卡总奖励:60
发表于 2017-5-3 13:24:02
|
显示全部楼层
您在哪个单位?可以交流类似问题,微信号:18222080935
回复
使用道具
举报
hc_xie
hc_xie
当前离线
积分
74
注册时间
2013-11-29
最后登录
1970-1-1
IP卡
狗仔卡
打卡等级:偶尔看看
打卡总天数:77
打卡总奖励:345
发表于 2017-5-4 23:38:47
|
显示全部楼层
工件伸出时,动力怎么来呢,不是很明白
回复
使用道具
举报
sparklefly
sparklefly
当前离线
积分
11
注册时间
2011-8-12
最后登录
1970-1-1
IP卡
狗仔卡
楼主
|
发表于 2017-5-5 07:19:26
|
显示全部楼层
hc_xie 发表于 2017-5-4 23:38
工件伸出时,动力怎么来呢,不是很明白
工件自身是运动的(类似千斤顶),液压主要用来模拟阻力,蓄能器那单向阀去掉
回复
使用道具
举报
返回列表
高级模式
B
Color
Image
Link
Quote
Code
Smilies
您需要登录后才可以回帖
登录
|
立即注册
本版积分规则
发表回复
回帖后跳转到最后一页
浏览过的版块
液压技术
资料下载
液压泵马达
快速回复
返回顶部
返回列表