搜索
汉力达液压金币充值官方微信群液压资料下载
查看: 5163|回复: 3

阀杆怎么做

  [复制链接]
  • 打卡等级:无名新人
  • 打卡总天数:2
  • 打卡总奖励:7
发表于 2017-4-21 13:44:27 | 显示全部楼层 |阅读模式
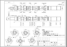
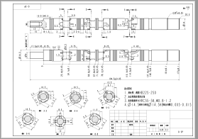
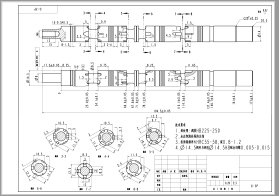
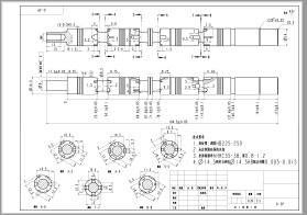
阀杆怎么做,什么材质的好,阀体怎么做,哪里能做

阀杆怎么做

阀杆怎么做
  • 打卡等级:论坛老炮
  • 打卡总天数:1044
  • 打卡总奖励:2951
发表于 2017-4-23 20:31:50 | 显示全部楼层
你这个阀杆图纸看不清楚,但是看你的技术要求(很模糊),应该是低碳或者中碳合金钢,渗碳淬火或高频淬火,材料可能是20CrMnTi,40Cr,42CoMn,1144,SAE12L14,20CrNiMo等,都行.
常规工艺路线:下料-平端面-打中心孔-车铣-热处理-粗磨-去毛刺-清洗-精磨-抛光-打标-综合检
回复

使用道具 举报

  • 打卡等级:无名新人
  • 打卡总天数:1
  • 打卡总奖励:5
发表于 2017-5-12 15:07:45 | 显示全部楼层
下料-平端面-打中心孔-车铣粗加工-热处理-粗磨-去毛刺-清洗-精磨-抛光-打标-综合检
回复

使用道具 举报

  • 打卡等级:无名新人
  • 打卡总天数:1
  • 打卡总奖励:1
发表于 2017-7-6 15:52:40 | 显示全部楼层
进来学习下,看看怎么样
回复

使用道具 举报

您需要登录后才可以回帖 登录 | 立即注册

本版积分规则